Каталог запасных частей к технике: ЮМЗ-6КЛ, (6КМ). Карбюратор
1
2
3
3
4
5
6
7
8
9
10
11
12
13
14
15
16
16
17
18
21
23
24
25
26
27
28
29
30
31
32
33
34
35
36
37
38
39
39
40
41
42
43
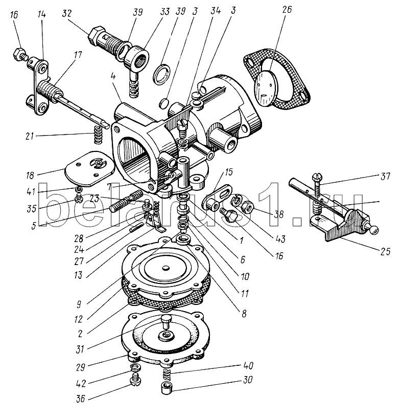
| Позиция на иллюстрации | Заводской номер детали | Название детали | |
|---|---|---|---|
| 003700-04 | 003700-04 | Пружина | |
| 003700-08 | 003700-08 | Пружина | |
| 11.1107011 | 11.1107011 | Заказать | Карбюратор |
| 11.1107305 | 11.1107305 | Клапан | |
| К06-1107200 | К06-1107200 | Крышка корпуса | |
| 11.1107565.2 | 11.1107565.2 | Заслонка воздушная | |
| 1 | 11.1107021 | Шайба | |
| 2 | 11.1107029 | Прокладка | |
| 3 | 11.1107032 | Заглушка | |
| 4 | 11.1107106.2 | Корпус карбюратора | |
| 5 | 11.1107114 | Шпилька | |
| 6 | 11.1107171 | Распылитель | |
| 7 | 11.1107216 | Жиклер | |
| 8 | 11.1107306 | Корпус обратного клапана | |
| 9 | 11.1107307 | Пластина клапана | |
| 10 | 11.1107308 | Замок обратного клапана | |
| 11 | 11.1107309 | Шайба | |
| 12 | 11.1107370 | Мембрана | |
| 13 | 11.1107386.2 | Рычаг | |
| 14 | 11.1107520 | Валик воздушной заслонки с рычагом | |
| 15 | 11.1107540 | Рычажок валика | |
| 16 | 11.1107549 | Винт муфты | |
| 17 | 11.1107557.1 | Пружина | |
| 18 | 11.1107571.10 | Заслонка | |
| 21 | 11.1107578.1 | Пружина клапана | |
| 23 | 11.1107674 | Седло топливного клапана | |
| 24 | 11.1107675 | Игла клапана | |
| 25 | 11.1107820.3 | Ось | |
| 26 | 11.1107891 | Заслонка дроссельная | |
| 27 | К02-1107117-А | Ось рычага клапана | |
| 28 | К06-1107106 | Пружина | |
| 29 | К06-1107201-10 | Крышка | |
| 30 | К06-1107202 | Кнопка | |
| 31 | К06-1107203-10 | Утолитель мембраны | |
| 32 | К13-1107207 | Болт штуцера | |
| 33 | К16А-1107122 | Штуцер топливоподводящий | |
| 34 | К23-59 | Винт регулировочный | |
| 35 | 001300 | Винт М3х8 | |
| 36 | 001300-04 | Винт М5х12 | |
| 37 | 001300-06 | Винт М5х16 | |
| 38 | 002100-Д3 | Гайка М6 | |
| 39 | 002500-07 | Шайба | |
| 40 | 003700-03 | Пружина | |
| 41 | 3Т.65Г | Шайба | |
| 42 | 5Л.65Г | Шайба | |
| 43 | 6Л.65Г | Шайба |
Содержащиеся в справочниках-каталогах запасные части и детали не предлагаются к продаже, а носят исключительно информационный характер