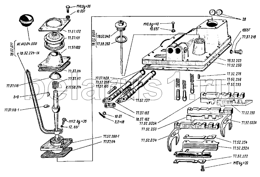
Каталог запасных частей к технике: ВгТЗ ДТ-75Н. Ходоуменьшитель
78.52.040
77.52.255
77.37.162
78.52.224-1А
К77.58.214
78.52.011
А13.04.000А
77.52.256
77.37.117
77.38.203
77.52.260-1
78.52.002Б
77.37.116-1
77.52.276
5х9
3.2х18
77.37.118
10.01
12.65Г
10.65Г
10.65Г
10.65Г
77.37.121
77.52.230
77.37.114
77.37.114
28
77.52.033А
77.52.034
77.52.257
77.52.258
77.37.218
М12.6gх35
М10.6gх40
М10.6gх35
77.37.120
77.37.122
77.52.254
77.52.222
77.52.035А
77.52.253
77.52.253
77.37.165
77.37.165
77.52.252А
78.52.203
77.37.143А
М10.6gх20
| Позиция на иллюстрации | Заводской номер детали | Название детали | |
|---|---|---|---|
| 78.52.040 | 78.52.040 | Щуп | |
| 77.52.255 | 77.52.255 | Фиксатор | |
| 77.37.162 | 77.37.162 | Серьга | |
| 78.52.224-1А | 78.52.224-1А | Рычаг | |
| К77.58.214 | К77.58.214 | Рычаг | |
| 78.52.011 | 78.52.011 | Рычаг | |
| А13.04.000А | А13.04.000А | Рукоятка | |
| 77.52.256 | 77.52.256 | Пружина | |
| 77.37.117 | 77.37.117 | Заказать | Пружина рычага |
| 77.38.203 | 77.38.203 | Прокладка пробки | |
| 77.52.260-1 | 77.52.260-1 | Фланец | |
| 78.52.002Б | 78.52.002Б | Ходоуменьшитель | |
| 77.37.116-1 | 77.37.116-1 | Штифт рычага | |
| 77.52.276 | 77.52.276 | Штифт | |
| 5х9 | 5х9 | Шпонка сегментная | |
| 3.2х18 | 3.2х18 | Шплинт | |
| 77.37.118 | 77.37.118 | Шайба сферическая | |
| 10.01 | 10.01 | Шайба ГОСТ 11371-78 | |
| 12.65Г | 12.65Г | Шайба ГОСТ 6402-70 | |
| 10.65Г | 10.65Г | Шайба ГОСТ 6402-70 | |
| 77.37.121 | 77.37.121 | Чехол | |
| 77.52.230 | 77.52.230 | Прокладка | |
| 77.37.114 | 77.37.114 | Прокладка фланца | |
| 28 | 28 | Заглушка ГОСТ 3111-67 | |
| 77.52.033А | 77.52.033А | Вилка ведущего вала | |
| 77.52.034 | 77.52.034 | Вилка ведомого вала | |
| 77.52.257 | 77.52.257 | Валик передний | |
| 77.52.258 | 77.52.258 | Валик задний | |
| 77.37.218 | 77.37.218 | Болт стопорный | |
| М12.6gх35 | М12.6gх35 | Болт | |
| М10.6gх40 | М10.6gх40 | Болт | |
| М10.6gх35 | М10.6gх35 | Болт | |
| 77.37.120 | 77.37.120 | Колпак | |
| 77.37.122 | 77.37.122 | Кольцо прижимное | |
| 77.52.254 | 77.52.254 | Пластина замковая | |
| 77.52.222 | 77.52.222 | Пластина замковая | |
| 77.52.035А | 77.52.035А | Планка переключения | |
| 77.52.253 | 77.52.253 | Планка разделительная | |
| 77.37.165 | 77.37.165 | Палец валика блокировки переднего | |
| 77.52.252А | 77.52.252А | Обойма | |
| 78.52.203 | 78.52.203 | Крышка верхняя | |
| 78.52.032 | 78.52.032 | Крышка верхняя | |
| 77.37.143А | 77.37.143А | Кольцо уплотнительное | |
| М10.6gх20 | М10.6gх20 | Болт |
Содержащиеся в справочниках-каталогах запасные части и детали не предлагаются к продаже, а носят исключительно информационный характер