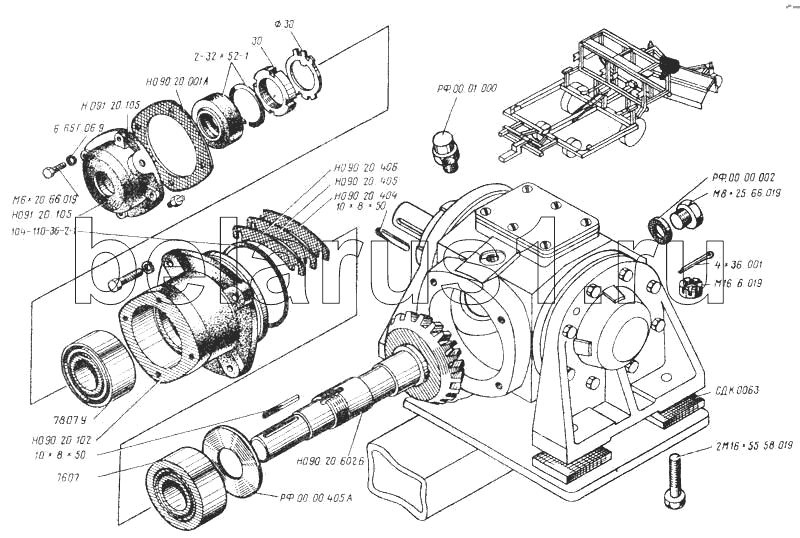
Каталог запасных частей к технике: ТеКЗ БМ-6А. Редуктор унифицированный
М6х20.66.019
Н.090.20.406
Н.090.20.404
РФ.00.00.002
СДК 0063
Н.090.20.405
РФ.00.01.000
Н.090.20.102
Диаметр 30
6.65Г.06.9
4х36.001
Н.090.20.001
7807У
М8х25.66.019
2М16х55х58.019
Н.090.20.602Б
М16.6.019
30
104-110-36-2-1
Н.091.20.105
Н.091.20.105
2-32х52-1
РФ.00.00.405А
7607
10х8х50
10х8х50
| Позиция на иллюстрации | Заводской номер детали | Название детали | |
|---|---|---|---|
| М6х20.66.019 | М6х20.66.019 | Болт | |
| Н.090.20.406 | Н.090.20.406 | Прокладка | |
| Н.090.20.404 | Н.090.20.404 | Прокладка | |
| РФ.00.00.002 | РФ.00.00.002 | Прокладка | |
| СДК 0063 | СДК 0063 | Прокладка | |
| Н.090.20.405 | Н.090.20.405 | Прокладка | |
| РФ.00.01.000 | РФ.00.01.000 | Сапун в сборе | |
| Н.090.20.102 | Н.090.20.102 | Стакан | |
| Диаметр 30 | Диаметр 30 | Шайба | |
| 6.65Г.06.9 | 6.65Г.06.9 | Шайба | |
| 4х36.001 | 4х36.001 | Шплинт | |
| Н.090.20.001 | Н.090.20.001 | Прокладка | |
| 7807У | 7807У | Подшипник | |
| М8х25.66.019 | М8х25.66.019 | Болт | |
| 2М16х55х58.019 | 2М16х55х58.019 | Болт | |
| Н.090.20.602Б | Н.090.20.602Б | Вал-шестерня | |
| М16.6.019 | М16.6.019 | Гайка ГОСТ 5919-73 | |
| 30 | 30 | Гайка | |
| 104-110-36-2-1 | 104-110-36-2-1 | Кольцо | |
| Н.091.20.105 | Н.091.20.105 | Крышка | |
| 2-32х52-1 | 2-32х52-1 | Манжета | |
| РФ.00.00.405А | РФ.00.00.405А | Маслоотражатель | |
| 7607 | 7607 | Заказать Заказать | Подшипник |
| 10х8х50 | 10х8х50 | Шпонка |
Содержащиеся в справочниках-каталогах запасные части и детали не предлагаются к продаже, а носят исключительно информационный характер