Каталог запасных частей к технике: РСМ Дон 1500Б. Регулятор частоты вращения
1
2
3
4
5
6
7
8
9
10
10
11
11
11
11
11
11
11
12
13
14
15
16
16
16
16
17
17
18
18
19
19
20
21
22
23
24
25
26
27
28
29
30
30
31
31
32
33
34
35
36
37
38
39
40
41
42
43
44
45
46
47
47
48
49
50
51
52
53
54
55
56
57
58
59
60
61
62
63
64
65
66
67
68
69
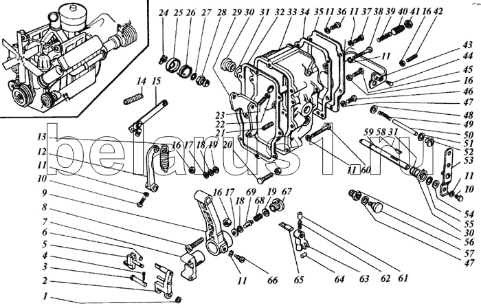
| Позиция на иллюстрации | Заводской номер детали | Название детали | |
|---|---|---|---|
| 1 | 312370-П15 | Шайба | |
| 2 | 60.1110266 | Рычаг | |
| 3 | 852780-П15 | Палец | |
| 4 | 258012-П15 | Шплинт | |
| 5 | 60.1110223-01 | Кулиса | |
| 6 | 60.1110265 | Кольцо пружинное | |
| 7 | 60.1110263 | Втулка корректора | |
| 8 | 852350-П15 | Винт регулировочный | |
| 9 | 60.1110406 | Рычаг регулятора | |
| 10 | 201418-П29 | Болт | |
| 11 | 251254-П29 | Шайба | |
| 12 | 236-1110466-А | Рычаг пружины | |
| 13 | 236-1110462 | Пружина регулятора | |
| 14 | 236-1110448 | Пружина рычага рейки | |
| 15 | 236-1110454 | Тяга рейки с планкой | |
| 16 | 250508-П29 | Гайка | |
| 17 | 236-1110140 | Шайба | |
| 18 | 236-1110141 | Шайба | |
| 19 | 312652-П15 | Шайба | |
| 20 | 852002-П15 | Болт регулировочный | |
| 21 | 852358-П29 | Винт регулировочный | |
| 22 | 250511-П15 | Гайка | |
| 23 | 242519-П15 | Винт регулировочный | |
| 24 | 236-1110262 | Шайба | |
| 25 | 236-1110398 | Крышка пружины | |
| 26 | 236-1110396 | Пружина возвратная | |
| 27 | 236-1110394 | Кольцо уплотнительное оси кулисы | |
| 28 | 236-1110134-Б | Ввертыш | |
| 29 | 236-1110080 | Рычаг двухплечий | |
| 30 | 236-1110476-Б | Втулка | |
| 31 | 236-1110479 | Кольцо уплотнительное втулки вала рычага | |
| 32 | 236-1110154-А | Прокладка | |
| 33 | 60.1110129 | Крышка регулятора | |
| 34 | 236-1110499-013 | Прокладка | |
| 35 | 60.1110498 | Крышка смотрового люка | |
| 36 | 310611-П15 | Винт | |
| 37 | 236-1110500 | Винт | |
| 38 | 310612-П15 | Винт крепления крышки | |
| 39 | 236-1110490 | Пружина буферная | |
| 40 | 60.1110492 | Корпус пружины | |
| 41 | 311511-П15 | Контргайка | |
| 42 | 236-1110200 | Винт регулировочный | |
| 43 | 80.1110380 | Скоба кулисы | |
| 44 | 852000-П29 | Болт | |
| 45 | 310142-П15 | Болт регулировочный | |
| 46 | 222580-П29 | Винт | |
| 47 | 312353-П | Шайба | |
| 48 | 312700-П15 | Шайба | |
| 49 | 236-1110089 | Пружина компенсационная | |
| 50 | 236-1110088 | Ось рычагов | |
| 51 | 312446-П | Шайба | |
| 52 | 310608-П15 | Винт-заглушка | |
| 53 | 236-1110149-Б3 | Рычаг управления регулятором | |
| 54 | 312347-П15 | Шайба | |
| 55 | 236-1110482 | Кольцо вала рычага | |
| 56 | 236-1110392 | Ввертыш оси скобы | |
| 57 | 236-1110390 | Ось скобы | |
| 58 | 314003-П | Шпонка | |
| 59 | 236-1110467 | Вал рычага пружины | |
| 60 | 222539-П15 | Винт | |
| 61 | 236-1110372-Б | Фиксатор кулисы | |
| 62 | 236-1110374-Б | Пружина фиксатора | |
| 63 | 60.1110132 | Кулиса | |
| 64 | 60.1110220 | Ползун кулисы | |
| 65 | 236-1110136-Б | Ось кулисы | |
| 66 | 852351-П15 | Винт стопорный | |
| 67 | 852881-П15 | Пробка | |
| 68 | 240Б-1110414 | Пружина корректора | |
| 69 | 60.1110264 | Упор пружины |
Содержащиеся в справочниках-каталогах запасные части и детали не предлагаются к продаже, а носят исключительно информационный характер