Ртищево
Эль-Монте ваш город?
Да
Выбрать другой город
Написать в
WhatsApp
Написать в
Telegram
Каталог

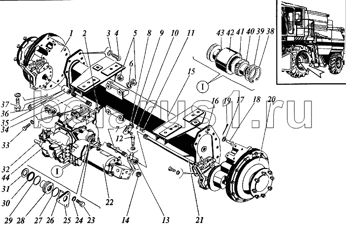
Каталог запасных частей к технике: РСМ Дон 1500Б. Мост ведущий с гидроприводом

zoom-in zoom-out enlarge shrink circle-right circle-left file-text2 info cart
1
2
3
4
5
6
7
8
9
10
11
12
13
14
15
15
16
17
18
18
19
20
21
22
23
24
25
26
27
28
29
30
31
32
33
34
35
36
37
38
39
40
41
42
43
44
Позиция на иллюстрации Заводской номер детали Название детали
1 МК-23М.03.000Ж Редуктор левый
2 2аМ16-8gх85.109.40Х.019 Болт
3 24Т.65Г.019 Шайба
4 М24-6gх55.109.40Х.019 Болт
5 М16.6Н.6.019 Гайка
6 16Т.65Г.019 Шайба
7 3518020-42490 Полуось с отражателем
8 3518020-46074 Болт демонтажа коробки диапазонов
9 3518020-44397 Кронштейн демонтажа коробки диапазонов
10 12Т.65Г.019 Шайба
11 М12х35.66.019 Болт
12 М12-6gх70.109.40Х.019 Болт
13 3518020-46075 Муфта соединительная
14 М12-6Н.6.019 Гайка
15 3518020-42480 Балка моста
15 3518020-42470 Балка моста
16 3518020-46426 Штифт
17 30.01.019 Шайба
18 6-30в12х85.35.Ц9фос/хр Ось
18 6-30в12х170.35.Ц9фос/хр Ось
19 6,3х40.019 Шплинт
20 МК-23М.04.000 Редуктор правый
21 3518020-46178 Полуось правая
22 МП-90 Гидромотор
23 М8х25.66.019 Болт
24 8Т.65Г.019 Шайба
25 3518020-40037 Крышка полуоси
26 2,6х20 Штифт
27 079-085-36-2-2 Заказать Кольцо
28 3518020-40038 Корпус уплотнителя
29 СП-65-45-8 Кольцо
30 12-45х65-1 Манжета
31 С45 Кольцо ГОСТ 13942-86
32 3518020-43020 Коробка диапазонов
33 М16-6gх80.109.40Х.019 Болт
34 3518020-46175 Полуось левая
35 3518020-46147 Втулка
36 1.3Ц6хр Масленка
37 М16х45.66.019 Болт
38 С85 Кольцо ГОСТ 13943-86
39 3518020-46135 Кольцо дистанционное полумуфты
40 3518020-46132 Полумуфта переднего вала
41 3518020-46134 Кольцо полумуфты гидромотора
42 3518020-46136 Втулка шлицевая полумуфты
43 3518020-46133 Полумуфта гидромотора
44 3518020-43270-02 Механизм переключения диапазонов
Содержащиеся в справочниках-каталогах запасные части и детали не предлагаются к продаже, а носят исключительно информационный характер