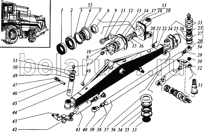
Каталог запасных частей к технике: РСМ Дон 1500Б. Мост управляемых колес
1
2
3
4
5
6
7
8
9
10
11
12
13
14
15
16
17
18
18
19
20
21
22
22
23
24
25
25
26
27
27
28
29
30
31
32
33
34
35
36
37
38
38
39
40
41
41
42
43
44
45
46
47
48
49
50
51
52
53
54
| Позиция на иллюстрации | Заводской номер детали | Название детали | |
|---|---|---|---|
| РСМ-10.02.02.190-01 | РСМ-10.02.02.190-01 | Кулак поворотный правый | |
| РСМ-10.02.02.170А-01 | РСМ-10.02.02.170А-01 | Шарнир поперечной тяги | |
| 1 | 7610 | Заказать Заказать | Подшипник |
| 2 | 7613 | Заказать | Подшипник |
| 3 | РСМ-10.02.02.425 | Кольцо упорное | |
| 4 | 1.2-75х100-1 | Манжета | |
| 5 | РСМ-10.02.02.426 | Обойма | |
| 6 | РСМ-10.02.02.605А | Кольцо сальника | |
| 7 | 1.2.Ц6хр | Масленка | |
| 8 | М8х6gх20.35.88.019 | Болт | |
| 9 | Н130.02.604 | Гайка | |
| 10 | 8Т.65Г.019 | Шайба | |
| 11 | РСМ-10.02.02.616 | Болт колеса | |
| 12 | РСМ-10.02.02.009А | Колпак ступицы | |
| 13 | РСМ-10.02.02.001 | Прокладка | |
| 14 | РСМ-10.02.02.204В | Ступица | |
| 15 | РСМ-10.02.02.634А | Гайка | |
| 16 | РСМ-10.02.02.417 | Шайба | |
| 17 | РСМ-10.02.02.632Б | Втулка | |
| 18 | РСМ-10.02.02.646-01 | Кулак поворотный | |
| 18 | РСМ-10.02.02.646 | Кулак поворотный | |
| 19 | РСМ-10.02.02.012А | Втулка | |
| 20 | М30х2-6Н.6.019 | Гайка | |
| 21 | 6,3х63.019 | Шплинт | |
| 22 | РСМ-8.02.02.204А | Балка моста | |
| 22 | РСМ-10.02.02.020А | Балка моста | |
| 23 | М20х1,5-6Н.04.019 | Гайка | |
| 24 | С20х5.01.019 | Шайба | |
| 25 | 1С47 | Кольцо | |
| 26 | РСМ-10.02.02.007А | Кольцо | |
| 27 | ШС-30 | Подшипник или ШСП-30 | |
| 27 | ШСП-30 | Заказать | Подшипник или ШС-30 |
| 28 | РСМ-10.02.02.638А | Корпус шарнира | |
| 29 | М22х1,5-6Н.04.019 | Гайка | |
| 30 | РСМ-10.02.02.806А | Втулка | |
| 31 | РСМ-10.02.02.633А | Ось | |
| 32 | РСМ-10.02.02.631А | Рычаг | |
| 33 | РСМ-10.02.02.411 | Заглушка | |
| 34 | РСМ-10.02.02.408 | Обойма подшипника | |
| 35 | РСМ-10.02.02.013 | Шайба подшипника | |
| 36 | РСМ-10.02.02.415 | Шайба опорная | |
| 37 | РСМ-10.02.02.409А | Колпак | |
| 38 | РСМ-8.02.02.210А | Труба | |
| 38 | РСМ-10.02.02.210А | Труба | |
| 39 | М22х1,5-6Н.04.019 | Гайка | |
| 40 | РСМ-10.02.02.638А-01 | Корпус шарнира | |
| 41 | ГЦ50.200.16.000-01 | Гидроцилиндр или РСМ-12.09.02.010 | |
| 41 | РСМ-12.09.02.010 | Гидроцилиндр или ГЦ50.200.16.000-01 | |
| 42 | РСМ-10.02.02.631А-01 | Рычаг | |
| 43 | 12х8х11 | Шпонка | |
| 44 | РСМ-10.02.02.805А | Шкворень | |
| 45 | РСМ-10.02.02.635А | Клин шкворня | |
| 46 | 12Т.65Г.019 | Шайба | |
| 47 | М10-6Н.6.019 | Гайка | |
| 48 | РСМ-10.02.02.011 | Заглушка | |
| 49 | РСМ-10.02.02.413А | Шайба | |
| 50 | РСМ-10.02.02.414А | Шайба | |
| 51 | РСМ-10.02.02.140А | Крышка | |
| 52 | РСМ-10.02.02.130 | Сальник с обоймой и манжетой (1,2-75х100-1) ступицы колеса | |
| 53 | РСМ-10.02.02.190 | Кулак поворотный левый | |
| 54 | РСМ-10.02.02.170А | Шарнир гидроцилиндра поворота и поперечной тяги |
Содержащиеся в справочниках-каталогах запасные части и детали не предлагаются к продаже, а носят исключительно информационный характер