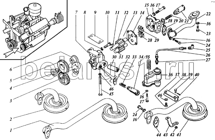
Каталог запасных частей к технике: РСМ Дон 1500Б. Масляный насос
1
1
1
1
2
3
4
4
5
6
7
8
9
10
11
12
13
14
15
16
17
18
19
20
21
22
23
24
25
26
27
28
29
30
31
32
33
34
35
36
37
38
39
40
41
42
43
44
45
| Позиция на иллюстрации | Заводской номер детали | Название детали | |
|---|---|---|---|
| 1 | 252135-П2 | Шайба | |
| 2 | 201458-П29 | Болт | |
| 3 | 201495-П2 | Болт | |
| 4 | 252136-П2 | Шайба | |
| 5 | 236-1011320 | Кронштейн крепления всасывающей трубы | |
| 6 | 236-1011230-10 | Шестерня ведомая привода насоса | |
| 7 | 236-1011217-В2 | Фланец упорный | |
| 8 | 236-1011202 | Шестерня промежуточная привода насоса | |
| 9 | 236-1011208-В | Ось промежуточной шестерни | |
| 10 | 310248-П2 | Болт | |
| 11 | 258013-П29 | Шплинт | |
| 12 | 236-1011018-040 | Корпус нагнетающей секции | |
| 13 | 252137-П2 | Шайба | |
| 14 | 236-1011380 | Прокладка регулировочная | |
| 15 | 310156-П2 | Болт | |
| 16 | 314005-П2 | Шпонка | |
| 17 | 236-1011040-020 | Шестерня ведущая нагнетающей секции | |
| 18 | 201-1015434 | Шарик | |
| 19 | 236-1011049 | Проставка | |
| 20 | 236-1011019-В | Корпус радиаторной секции | |
| 21 | 200270-П2 | Болт | |
| 22 | 312559-П2 | Шайба | |
| 23 | 236-1011358-А | Прокладка | |
| 24 | 236-1011368-Б | Пружина предохранительного клапана | |
| 25 | 236-1011363-022 | Клапан предохранительный | |
| 26 | 236-1011420-В | Трубка отводящая радиаторной секции | |
| 27 | 201457-П2 | Болт | |
| 28 | 201458-П29 | Болт | |
| 29 | 314537-П | Угольник | |
| 30 | 236-1011098-023 | Трубка подводящая дифференциального клапана | |
| 31 | 314612-П29 | Штуцер | |
| 32 | 236-1011114 | Шестерня ведомая радиаторной секции | |
| 33 | 236-1011100 | Шестерня ведущая радиаторной секции | |
| 34 | 236-1011352-В | Трубка отводящая нагнетающей секции | |
| 35 | 236-1011030-020 | Шестерня ведомая нагнетающей секции | |
| 36 | 312571-П2 | Шайба | |
| 37 | 236-1011058-020 | Пружина редукционного клапана | |
| 38 | 236-1011048-020 | Клапан редукционный нагнетающей секции | |
| 39 | 240-1011057 | Пружина клапана дифференциального | |
| 40 | 236-1011056-010 | Клапан дифференциальный | |
| 41 | 252136-П2 | Шайба | |
| 42 | 310254-П2 | Болт | |
| 43 | 236-1011296 | Заказать | Прокладка |
| 44 | 236-1011322 | Скоба | |
| 45 | 250957-П2 | Гайка | |
| 46 | 236-1011014-033 | Насос масляный |
Содержащиеся в справочниках-каталогах запасные части и детали не предлагаются к продаже, а носят исключительно информационный характер