Ртищево
Эль-Монте ваш город?
Да
Выбрать другой город
Написать в
WhatsApp
Написать в
Telegram
Каталог

Каталог запасных частей к технике: РСМ Дон 1500Б. Электрооборудование комбайна

zoom-in zoom-out enlarge shrink circle-right circle-left file-text2 info cart
1
2
3
4
5
6
6
7
8
9
10
10
11
12
13
14
15
15
16
17
18
19
19
19
20
21
22
23
23
23
24
25
26
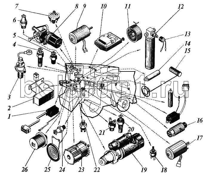
Позиция на иллюстрации Заводской номер детали Название детали
1 БД-1 Блок диодов
2 РСМ-10.10.20.010 Панель управления реверсом
3 ЭФП 8101500 Электрофакельный подогреватель (для СМД-31А)
4 ТМ-100В Заказать Заказать Датчик указателя температуры
5 ТМ111-01 Датчик сигнализатор температуры
6 ММ 106Б Датчик сигнализатор аварийного давления масла (для СМД-31А Д-461/51)
6 2602.3829010 Датчик сигнализатор аварийного давления масла (для ЯМЗ-238АК)
7 132.3839 Датчик сигнализатора воздушного фильтра (для ЯМЗ-238АК Д-461/51)
8 СЛ230М-10 Стеклоочиститель электрический
9 МЭ226-В Электродвигатель
10 11.3714010 Плафон или 0026.1237.14010
10 0026.1237.14010 Плафон или 11.3714010
11 Муфта компрессора Муфта компрессора
12 Ресивер кондиционера Ресивер кондиционера
13 Розетка Розетка
14 Д013-1 Датчик оборотов
15 56.3827010 Датчик указателя уровня топлива или БМ-144Д
15 БМ-144Д Датчик указателя уровня топлива или 56.3827010
16 ПС300А-150 Вилка
17 МЭ237 Заказать Электродвигатель отопителя
18 ВК415 Выключатель
19 56.3708 Стартер (для Д-461/51)
19 3212.3708 Стартер
19 25.3708-01 Стартер
20 ТМ-100В Заказать Заказать Датчик указателя температуры
21 15.3710 Включатель
22 ВК12Б Заказать Выключатель
23 968.3701 Генератор
23 967.3701 Генератор (для СМД-31А)
23 967.3701-02 Генератор
24 ТМ111-12 Датчик-сигнализатор температуры
25 С313 Сигнал звуковой
26 ММ355 Заказать Заказать Датчик указателя давления масла
Содержащиеся в справочниках-каталогах запасные части и детали не предлагаются к продаже, а носят исключительно информационный характер