Каталог запасных частей к технике: МТЗ-922. Управление рулевое гидрообъемное
1
2
3
4
5
6
6
6
6
6
6
6
6
7
8
8
9
9
9
9
9
10
10
11
11
11
12
12
13
14
14
15
16
16
16
16a
17
18
19
19
19
20
20a
21
21
22
22
23
23
24
24
25
25
26
26
27
27
28
28
29
29
30
30
30
30
31
31
32
32
32
32
33
33
33
33
34
34
35
35
36
37
38
39
40
41
42
43
44
45
45
45
46
47
48
49
50
51
52
53
53
53
54
55
56
57
57
58
58
59
60
60
61
61
62
62
63
63
64
64
65
65
66
67
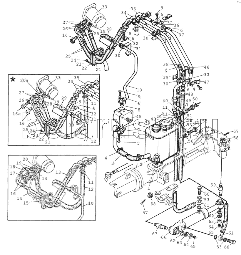
| Позиция на иллюстрации | Заводской номер детали | Название детали | |
|---|---|---|---|
| 1 | ШП16 | Шайба | |
| 2 | М16х30 | Болт | |
| 3 | 1321-3407018-02 | Шланг | |
| 4 | 25-40/19-C6W | Хомут Норма | |
| 5 | М8х40 | Болт | |
| 6 | ШП8 | Шайба | |
| 7 | 922-3407030 | Маслопровод | |
| 8 | 017-022-30-1-4 | Кольцо | |
| 9 | М8х30 | Болт | |
| 10 | 923-3407020 | Маслопровод | |
| 11 | 16-25/9-C6W | Хомут «Норма» | |
| 12 | 952-3407014-04 | Шланг | |
| 13 | П100-4607140-02 | Рукав высокого давления | |
| 14 | 922-3407070 | Маслопровод | |
| 15 | П100-4607140-03 | Рукав высокого давления | |
| 16 | 85-3407105 | Болт | |
| 16a | 85-3407105-01 | Болт | |
| 17 | 85-3407105-03 | Болт | |
| 18 | 922-3407090 | Маслопровод | |
| 19 | Ф80-3407157 | Заказать | Шайба |
| 20 | 922-3407080 | Маслопровод | |
| 20a | 923-3407080-01 | Маслопровод | |
| 21 | 2522-6703034 | Прокладка | |
| 22 | 1522-3407011 | Крышка | |
| 23 | ШП6 | Шайба | |
| 24 | М6х16 | Винт | |
| 25 | 680-4607140-04 | Рукав высокого давления | |
| 26 | 1522-3407016 | Штуцер | |
| 27 | 025-029-25-2-2 | Кольцо | |
| 28 | 530-4614029 | Заказать Заказать | Угольник |
| 29 | Н.036.83.040 | Рукав высокого давления | |
| 30 | 70-3506027 | Втулка | |
| 31 | 922-3407018 | Кронштейн | |
| 32 | 70-3407146 | Планка | |
| 33 | OSPC160-ON150G0030 | Насос-дозатор | |
| 33 | LAGC160-10/200-140М01-100S | Насос-дозатор | |
| 33 | SUB 160-140.200-1 | Насос-дозатор | |
| 34 | 923-3407040 | Маслопровод | |
| 35 | 923-3407060 | Маслопровод | |
| 36 | М8Х14 | Болт | |
| 37 | 923-3407011 | Кронштейн | |
| 38 | М8 | Гайка | |
| 39 | 70-3407144 | Планка | |
| 40 | 923-3407050 | Тройник | |
| 41 | 600-3407083 | Шланг | |
| 42 | Ф80-3407111-01 | Крышка клапана | |
| 43 | 12.000-100 | Шарик | |
| 44 | 923-3407100 | Бак | |
| 45 | НШ14Д-3Л | Насос шестеренчатый | |
| 45 | НШ14Г-3Л | Насос шестеренчатый | |
| 45 | 20А14х126 | Насос шестеренчатый | |
| 46 | 70-4604156 | Планка | |
| 47 | 40-4607029-А | Планка | |
| 48 | 952-3407100 | Рукав высокого давления | |
| 49 | 40-4607033-А | Заказать | Шайба |
| 50 | 1221-3407140-01 | Клапан | |
| 51 | Ф80-3407113 | Направляющая | |
| 52 | 80-3407221 | Пружина | |
| 53 | Ф80-3407114 | Заказать | Шайба |
| 54 | В22-3407095 | Корпус клапана | |
| 55 | 40-4607032 | Заказать | Болт |
| 56 | 40-4607038-А | Заказать | Шайба |
| 57 | 4х36 | Шплинт | |
| 58 | 102-3405113 | Заказать | Гайка |
| 59 | 102-3405112-01 | Заказать Заказать | Палец |
| 60 | Ф80-3407201 | Заказать | Болт |
| 61 | 952-3407020 | Заказать | Переходник |
| 62 | ШЧ20 | Шайба | |
| 63 | Ф80-3405103 | Шайба стопорная | |
| 64 | М20х1,5 | Гайка | |
| 65 | 1,1.Ц6Хр | Масленка | |
| 66 | Ц63-3405115-02 | Гидроцилиндр | |
| 67 | 102-3405111 | Заказать Заказать Заказать | Палец |
Содержащиеся в справочниках-каталогах запасные части и детали не предлагаются к продаже, а носят исключительно информационный характер