Каталог запасных частей к технике: МТЗ-922. Электрооборудование по дизелю
1
1
2
2
2
3
3
4
4
5
6
7
7
8
8
9
10
11
12
13
13
14
14
15
15
16
16
17
17
17
18
19
19
20
21
22
22
23
23
23
23
23
23
24
24
24
24
24
24
25
26
26
26
27
28
29
30
31
32
33
34
35
35
36
37
38
38
39
40
41
42
43
44
45
46
46
46
47
48
49
50
50
50
51
52
53
54
55
56
57
57
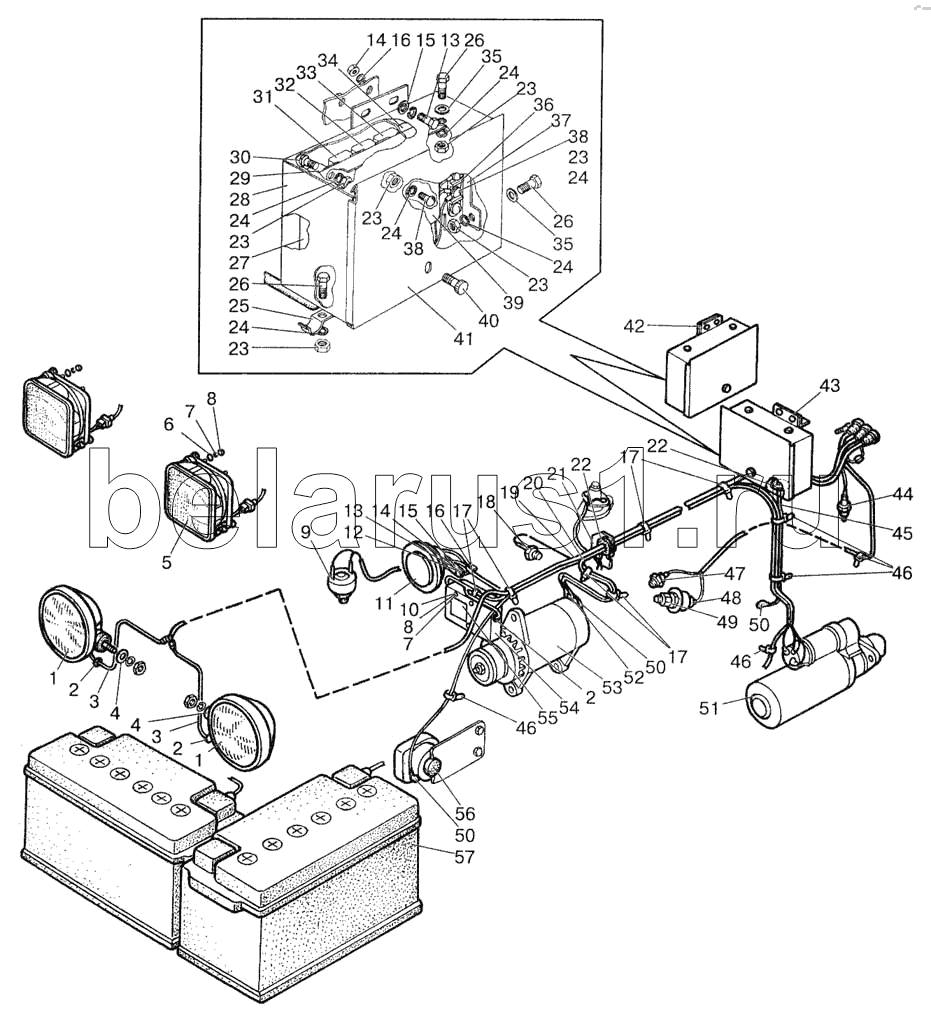
| Позиция на иллюстрации | Заводской номер детали | Название детали | |
|---|---|---|---|
| 1 | 312.3711 | Фара | |
| 2 | 70-3723042-01 | Втулка | |
| 3 | 1522-3724025 | Жгут | |
| 4 | ШЧ12 | Шайба | |
| 5 | 8706.26-05 | Фара | |
| 6 | ШЧ5 | Шайба | |
| 7 | ШП5 | Шайба | |
| 8 | М5 | Гайка | |
| 9 | ДСФ-65 | Заказать | Датчик засоренности воздуха |
| 10 | ВМ5х10 | Винт | |
| 11 | 20.3721-01 | Заказать Заказать Заказать | Прибор звуковой сигнализации |
| 12 | М8х20 | Болт | |
| 13 | М8 | Гайка | |
| 14 | ШЧ8 | Шайба | |
| 15 | ШП8 | Шайба | |
| 16 | 70-6702111 | Угольник | |
| 17 | 80-3723045-01 | Манжета | |
| 18 | ДУТЖ-02 | Заказать | Датчик указателя температуры |
| 19 | 923-3724040 | Провод | |
| 19 | 822-3724867 | Провод | |
| 20 | 80-3724345 | Жгут | |
| 21 | 70-3723041 | Кронштейн | |
| 22 | 70-3723042-02 | Втулка | |
| 23 | М6 | Гайка | |
| 24 | ШП6 | Шайба | |
| 25 | 80-3723038 | Скоба | |
| 26 | М6х14 | Болт | |
| 27 | СДФ-2 | Заказать | Сопротивление добавочное |
| 28 | 1522-3747010 | Коробка | |
| 29 | 90.3747 | Реле | |
| 30 | ВМ6х10 | Винт | |
| 31 | БКП-1 | Блок предохранителей | |
| 32 | БУС-1 | Блок предохранителей | |
| 33 | 732.3747 | Заказать | Реле стартера |
| 34 | 711.3747 | Реле | |
| 35 | ШЧ6 | Шайба | |
| 36 | П14.3723 | Панель | |
| 37 | 1522-3747011 | Панель | |
| 38 | ВМ6х20 | Винт | |
| 39 | 11.3722 | Заказать | Блок предохранителей |
| 40 | 80-3805065 | Винт | |
| 41 | 1522-3747013 | Крышка | |
| 42 | 923-3723015 | Кронштейн | |
| 43 | 922М-3723011 | Кронштейн | |
| 44 | ДАТЖ | Заказать | Датчик аварийной температуры |
| 45 | 922М-3724360 | Жгут | |
| 46 | 80-3723045 | Манжета | |
| 47 | ДАДМ-03 | Заказать | Датчик |
| 48 | ДД-6Е | Заказать | Датчик |
| 49 | 80-3829002 | Штуцер | |
| 50 | М2-14.13.238 | Чехол | |
| 51 | А20.3223 | Стартер | |
| 52 | 54.24.445-Б | Наконечник | |
| 53 | 96.3701-2 | Генератор | |
| 54 | 80-3701012 | Кронштейн | |
| 55 | УВР-2-10 | Устройство выпрямительно-регулирующее | |
| 56 | 1212.3737-05 | Заказать Заказать Заказать | Выключатель |
| 57 | АКБ 12В 28 А/Ч | Батарея аккумуляторная | |
| 57 | АКБ 12В 160 А/Ч | Батарея аккумуляторная |
Содержащиеся в справочниках-каталогах запасные части и детали не предлагаются к продаже, а носят исключительно информационный характер