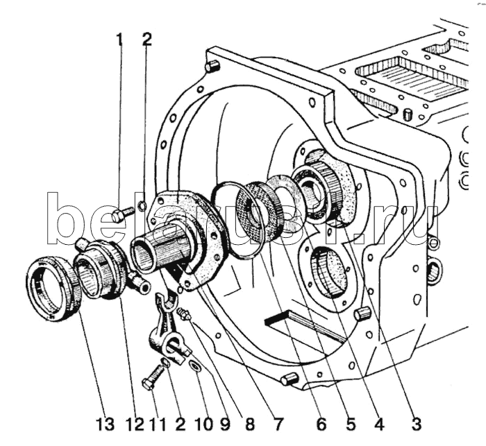
Каталог запасных частей к технике: МТЗ-90/92. Корпус сцепления (отводка)
 
              
          1        
              
          2        
              
          2        
              
          3        
              
          4        
              
          5        
              
          6        
              
          7        
              
          8        
              
          9        
              
          10        
              
          11        
              
          12        
              
          13        
          | Позиция на иллюстрации | Заводской номер детали | Название детали | |
|---|---|---|---|
| 1 | М10x25 | Болт | |
| 2 | ШП 10 | Шайба | |
| 3 | 60210АУШ1 | Подшипник | |
| 4 | 50-1601319 | Шайба маслоотражательная | |
| 5 | 240-1002055 | Заказать | Манжета 2.1-50х70-4 | 
| 6 | 110-115-30-1-4 | Кольцо ГОСТ 9833-73 | |
| 7 | 50-1601172-А | Заказать Заказать | Кронштейн отводки | 
| 8 | 1.1 Ц6хр | Масленка | |
| 9 | 50-1601203 | Заказать Заказать | Вилка | 
| 10 | 50-1601218 | Заказать | Шпонка | 
| 11 | М10x30 | Болт | |
| 12 | 50-1601185-А | Заказать | Отводка | 
| 13 | 986714 К1С23 | Подшипник отводки | 
Содержащиеся в справочниках-каталогах запасные части и детали не предлагаются к продаже, а носят исключительно информационный характер