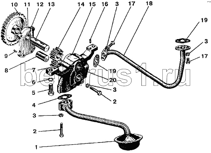
Каталог запасных частей к технике: МТЗ-900. Масляный насос
 
              
          1        
              
          2        
              
          2        
              
          3        
              
          3        
              
          3        
              
          3        
              
          4        
              
          5        
              
          6        
              
          7        
              
          8        
              
          9        
              
          10        
              
          11        
              
          12        
              
          13        
              
          14        
              
          15        
              
          16        
              
          17        
              
          17        
              
          18        
              
          19        
              
          19        
              
          20        
          | Позиция на иллюстрации | Заводской номер детали | Название детали | |
|---|---|---|---|
| А57.03.028-А | А57.03.028-А | Втулка | |
| 240-1403150 | 240-1403150 | Крышка со втулкой в сборе | |
| 50-1403010-Б1-02 | 50-1403010-Б1-02 | Насос масляный | |
| 1 | 240-1402010-А2 | Маслоприемник | |
| 2 | Болт М8х50 | Болт М8х50 | |
| 3 | Шайба ШП8 | Шайба ШП8 | |
| 4 | 50-1402053 | Заказать | Прокладка | 
| 5 | Болт М12х30 | Болт М12х30 | |
| 6 | Шайба ШП120 | Шайба ШП120 | |
| 7 | 50-1403115-Б | Шестерня | |
| 8 | 50-1403125-Б | Палец | |
| 9 | 50-1403233 | Штифт | |
| 10 | 240-1403228 | Шестерня | |
| 11 | 240-1403155 | Крышка | |
| 12 | А57.03.026А | Втулка | |
| 13 | 50-1403052-В | Валик | |
| 14 | 50-1403075-В | Шестерня | |
| 15 | 240-1403025 | Корпус | |
| 16 | 240-1002044 | Заказать | Штифт | 
| 17 | Болт М8х20 | Болт М8х20 | |
| 18 | 50-1403015-А1 | Патрубок | |
| 19 | 50-1403033 | Заказать | Прокладка | 
| 20 | А59.03.027-А | Втулка | 
Содержащиеся в справочниках-каталогах запасные части и детали не предлагаются к продаже, а носят исключительно информационный характер