Каталог запасных частей к технике: МТЗ-900. Кабина
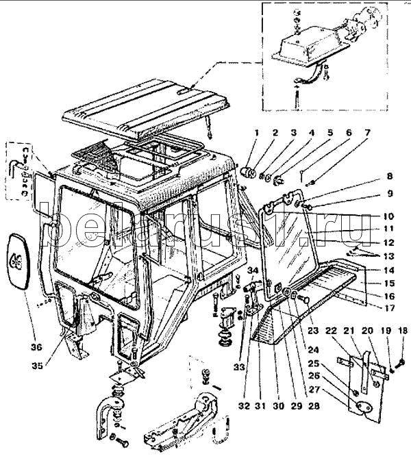
1
2
3
4
5
6
7
8
9
10
11
12
13
13
13
14
15
16
17
18
19
20
21
22
23
24
25
26
27
28
29
30
31
32
33
33
34
35
36
| Позиция на иллюстрации | Заводской номер детали | Название детали | |
|---|---|---|---|
| 80-8404020Б-01 | 80-8404020Б-01 | Закрылок правый | |
| 80-6700010-04 | 80-6700010-04 | Кабина трактора | |
| 80-8404011Б-01 | 80-8404011Б-01 | Крыло (правое) | |
| 1 | А30.04.017-02 | Заказать | Колпачок |
| 2 | Гайка М8 | Гайка М8 | |
| 3 | Шайба ШП8 | Шайба ШП8 | |
| 4 | Шайба ШЧ8 | Шайба ШЧ8 | |
| 5 | 80-6708903 | Заказать | Втулка |
| 6 | Шплинт 3,2х18 | Шплинт 3,2х18 | |
| 7 | Палец 8х30 | Палец 8х30 | |
| 8 | 80-6708904 | Заказать | Прокладка |
| 9 | Болт М8х30 | Болт М8х30 | |
| 10 | 80-6708902 | Заказать | Петля |
| 11 | 80-6708901 | Стекло | |
| 12 | Профиль Р-202 | Профиль Р-202 | |
| 13 | Шайба ШЧ6 | Шайба ШЧ6 | |
| 13 | Гайка М6 | Гайка М6 | |
| 13 | Винт ВМ6х16 | Винт ВМ6х16 | |
| 14 | 80-8404014А | Уплотнитель | |
| 15 | 80-8404020Б | Закрылок левый | |
| 16 | 80-8404011-Б | Заказать | Крыло левое |
| 17 | 80-8404013А | Уплотнитель крыла кабины | |
| 18 | Болт М6х25 | Болт М6х25 | |
| 19 | Шайба ШП8 | Шайба ШП8 | |
| 20 | 80-8404032 | Заказать | Пластина |
| 21 | Гайка М6 | Гайка М6 | |
| 22 | 80-8404031 | Пружина | |
| 23 | 80-6708965 | Винт | |
| 24 | 80-6708963 | Шайба | |
| 25 | Шайба ШЧ6 | Шайба ШЧ6 | |
| 26 | 80-8404034 | Пластина | |
| 27 | 85-8404040 | Заказать | Брызговик |
| 28 | 80-6708962 | Втулка | |
| 29 | 80-6708961 | Шайба | |
| 30 | 80-6708964 | Заклепка | |
| 31 | А37.04.054 | Кронштейн | |
| 32 | А37.04.051 | Заказать | Ручка |
| 33 | Болт М6х16 | Болт М6х16 | |
| 33 | Шайба ШП6 | Шайба ШП6 | |
| 34 | А37.04.052 | Заказать | Рычаг |
| 35 | 85-6703050 | Обичайка | |
| 36 | 80-8201050 | Заказать | Зеркало наружное |
Содержащиеся в справочниках-каталогах запасные части и детали не предлагаются к продаже, а носят исключительно информационный характер