Каталог запасных частей к технике: МТЗ-900. Гидроагрегаты и арматура
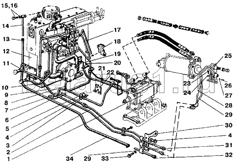
1
2
3
4
4
5
6
7
8
9
10
11
12
13
14
15
16
17
18
19
20
21
22
23
24
25
26
27
28
29
29
30
31
32
33
34
| Позиция на иллюстрации | Заводской номер детали | Название детали | |
|---|---|---|---|
| Болт М8х36 | Болт М8х36 | Болт М8х36 | |
| 80-4600015Б-09 | 80-4600015Б-09 | Бак гидросистемы | |
| ПК80-9759 | ПК80-9759 | Корпус гидросистемы | |
| Шайба ШП8 | Шайба ШП8 | Шайба ШП8 | |
| 1 | 80-4614020 | Регулятор | |
| 2 | Н80-4607150 | Заказать | Труба |
| 3 | 80-4607169 | Кронштейн | |
| 4 | 70-3506027 | Втулка | |
| 5 | 70-3407146 | Планка | |
| 6 | Н80-4607206 | Кронштейн | |
| 7 | 70-3407144 | Планка | |
| 8 | Н80-4607170 | Заказать | Труба |
| 9 | Н80-4607160 | Труба | |
| 10 | 80Х-4607130 | Заказать | Труба |
| 11 | 80Х-4607120 | Заказать | Труба |
| 12 | 85-4608010-03 | Корпус бака гидросистемы | |
| 13 | ХС-2Б | Хомут стяжной | |
| 14 | 80В-4607375 | Маслопровод | |
| 15 | 40-4607033А | Шайба | |
| 16 | 40-4607037 | Заказать | Болт |
| 17 | 80-4607115Б | Маслопровод | |
| 18 | 80-4607119 | Кронштейн | |
| 19 | 85-3407101 | Заказать | Патрубок |
| 20 | 80-4607320Б | Кронштейн | |
| 21 | 70-4607161 | Планка | |
| 22 | 70-4607270А | Кронштейн | |
| 23 | Болт М12х20 | Болт М12х20 | |
| 24 | Шайба ШП12 | Шайба ШП12 | |
| 25 | 85-4607440 | Кронштейн | |
| 26 | Болт М8х25 | Болт М8х25 | |
| 27 | Шайба ШП8 | Шайба ШП8 | |
| 28 | 70-4607395Б | Труба | |
| 29 | 70-4607400Б | Труба | |
| 30 | 82В1-4607210 | Кронштейн | |
| 31 | 82В1-4607217 | Планка | |
| 32 | 82В.1-4607380 | Маслопровод | |
| 33 | Болт М8х35 | Болт М8х35 | |
| 34 | 80В-4607213 | Шланг |
Содержащиеся в справочниках-каталогах запасные части и детали не предлагаются к продаже, а носят исключительно информационный характер