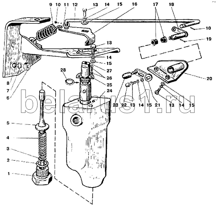
Каталог запасных частей к технике: МТЗ-900. Датчик блокировки. Арматура датчика блокировки
1
2
3
4
5
6
7
8
9
10
10
11
12
13
13
13
13
14
14
14
14
15
15
15
15
16
17
18
19
20
21
22
23
24
25
26
27
28
| Позиция на иллюстрации | Заводской номер детали | Название детали | |
|---|---|---|---|
| 80-4801200 | 80-4801200 | Кран блокировки | |
| Шайба ШП5 | Шайба ШП5 | Шайба ШП5 | |
| 1 | 80-4801220 | Пробка | |
| 2 | Кольцо 015-019-25-2-2 | Кольцо 015-019-25-2-2 | |
| 3 | Шайба ШП5 | Шайба ШП5 | |
| 4 | 50-4609054 | Пружина | |
| 5 | 80-4801230 | Клапан | |
| 6 | Гайка М10 | Гайка М10 | |
| 7 | Шайба ШП10 | Шайба ШП10 | |
| 8 | 80-4803110 | Кронштейн | |
| 9 | 70-4803019 | Заказать | Пружина |
| 10 | Шплинт 1,6х12 | Шплинт 1,6х12 | |
| 11 | Шайба ШЧ5 | Шайба ШЧ5 | |
| 12 | 80-4803121 | Тяга | |
| 13 | Болт М6х14 | Болт М6х14 | |
| 14 | Шайба ШП6 | Шайба ШП6 | |
| 15 | Шайба ШЧ6 | Шайба ШЧ6 | |
| 16 | 80-4801216 | Рычаг | |
| 17 | 50-4607082А | Втулка | |
| 18 | 80-4802030 | Рычаг | |
| 19 | Шплинт 2х16 | Шплинт 2х16 | |
| 20 | 80-4802020 | Заказать | Кронштейн |
| 21 | 80-4802040 | Рычаг | |
| 22 | А30.04.017 | Заказать | Колпачок |
| 23 | А13.11.000 | Заказать | Рукоятка |
| 24 | 80-4801211 | Корпус | |
| 25 | 80-4801217 | Стопор | |
| 26 | Винт М5 | Винт М5 | |
| 27 | 80-4801212 | Золотник крана | |
| 28 | Кольцо 016-020-25-2-2 | Кольцо 016-020-25-2-2 |
Содержащиеся в справочниках-каталогах запасные части и детали не предлагаются к продаже, а носят исключительно информационный характер