Каталог запасных частей к технике: МТЗ-900. Бак масляный и Фильтр
1
2
2
3
4
5
6
7
8
9
10
11
12
13
14
15
16
17
18
19
19
20
21
22
23
24
25
26
27
28
29
30
31
32
33
34
34
35
36
36
37
37
37
37
38
39
40
41
42
42
43
44
45
46
47
48
49
50
51
52
53
54
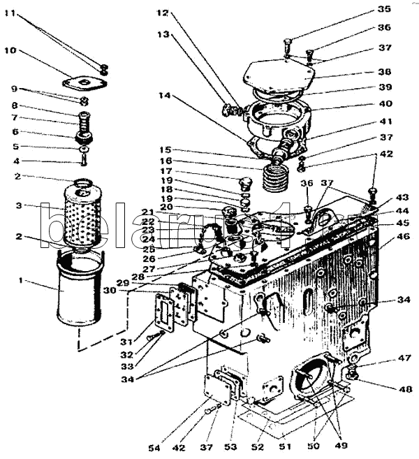
| Позиция на иллюстрации | Заводской номер детали | Название детали | |
|---|---|---|---|
| Гайка М10 | Гайка М10 | Гайка М10 | |
| 85-4608090 | 85-4608090 | Заказать | Клапан 85-4608091 в сборе |
| А28.04.10.000 | А28.04.10.000 | Заказать | Клапан 8.20.004 в сборе |
| 85-4608010-03 | 85-4608010-03 | Корпус бака гидросистемы | |
| Шайба ШП10 | Шайба ШП10 | Шайба ШП10 | |
| 1 | А28.04.20.000А | Корпус | |
| 2 | 042-050-46-2-2 | Заказать | Кольцо |
| 3 | 761-00-00-00 | Элемент фильтрующий Реготмас 635-1 | |
| 4 | Винт В1.М6х40 | Винт В1.М6х40 | |
| 5 | 8.20.004 | Клапан | |
| 6 | А28.04.10.001 | Заказать | Корпус |
| 7 | 8.20.002 | Пружина | |
| 8 | 8.20.005 | Шайба опорная | |
| 9 | Гайка 2М6 | Гайка 2М6 | |
| 10 | А28.04.00.001 | Заказать | Ограничитель |
| 11 | Гайка М6 | Гайка М6 | |
| 12 | Кольцо 021-025-25-1-4 | Кольцо 021-025-25-1-4 | |
| 13 | 85-4608021 | Пробка | |
| 14 | 85-4608089 | Прокладка | |
| 15 | С80-4607034 | Заказать | Штуцер |
| 16 | 85-4608057 | Пружина | |
| 17 | 50-4608059 | Пробка сапуна | |
| 18 | 50-4608063 | Заказать | Фильтр |
| 19 | 50-4608062 | Шайба сапуна | |
| 20 | Пробка КГ 1/4 | Пробка КГ 1/4 | |
| 21 | А61-С06-А2 | Фильтр | |
| 22 | 85-4608091 | Клапан | |
| 23 | 50-1002450 | Цепочка | |
| 24 | Кольцо 011-015-25-2-2 | Кольцо 011-015-25-2-2 | |
| 25 | 36-1101067 | Кольцо | |
| 26 | 50-3407069 | Чека | |
| 27 | Болт М12х20 | Болт М12х20 | |
| 28 | Шайба ШП12 | Шайба ШП12 | |
| 29 | 85-4608086 | Прокладка | |
| 30 | 85-4608087 | Заказать | Указатель |
| 31 | 85-4608088 | Заказать | Пластина |
| 32 | Болт М6х20 | Болт М6х20 | |
| 33 | Шайба ШП6 | Шайба ШП6 | |
| 34 | Шпилька М10х Т2/6g х20 | Шпилька М10х Т2/6g х20 | |
| 35 | Болт М8х80 | Болт М8х80 | |
| 36 | Болт М8х25 | Болт М8х25 | |
| 37 | Шайба ШП8 | Шайба ШП8 | |
| 38 | 85-4608022 | Заказать | Крышка |
| 39 | Кольцо 130-135-30-2-4 | Кольцо 130-135-30-2-4 | |
| 40 | 85-4608018-01 | Стакан | |
| 41 | Кольцо 027-032-30-2-4 | Кольцо 027-032-30-2-4 | |
| 42 | Болт М8х20 | Болт М8х20 | |
| 43 | 85-4608025-02 | Крышка | |
| 44 | 80-4608073 | Кронштейн | |
| 45 | 85-4608031 | Прокладка | |
| 46 | 85-4608016 | Корпус гидросистемы | |
| 47 | Кольцо 017-022-30-2-2 | Кольцо 017-022-30-2-2 | |
| 48 | 50-4608027-В | Пробка | |
| 49 | Шпилька М10х Т2/6g х35 | Шпилька М10х Т2/6g х35 | |
| 50 | Болт М10х40 | Болт М10х40 | |
| 51 | 70-4608072 | Пластина | |
| 52 | 50-4608049 | Прокладка | |
| 53 | 70-4608033 | Прокладка | |
| 54 | 70-4608019 | Крышка |
Содержащиеся в справочниках-каталогах запасные части и детали не предлагаются к продаже, а носят исключительно информационный характер