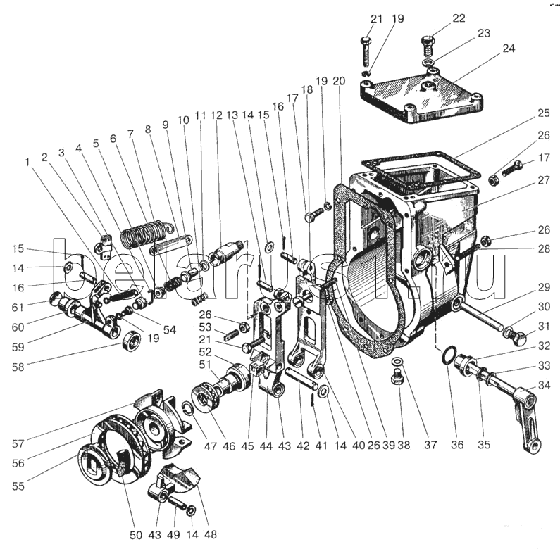
Каталог запасных частей к технике: МТЗ-822. Регулятор топливного насоса
4УТНМ-1110010-40
4УТНМ-Т-1110010-01
1
2
3
4
5
6
7
8
9
10
11
12
13
14
14
14
14
15
15
16
16
17
17
18
18
19
19
19
20
21
21
22
23
24
25
26
26
26
26
27
27
28
29
30
31
32
32
33
34
35
36
37
38
39
40
41
42
43
43
44
44
45
46
47
47
48
49
50
51
52
53
54
55
56
57
58
59
60
61
| Позиция на иллюстрации | Заводской номер детали | Название детали | |
|---|---|---|---|
| 4УТНМ-1110010-40 | 4УТНМ-1110010-40 | Регулятор | |
| УТН-5-1110240-И | УТН-5-1110240-И | Ступица в сборе | |
| УТН-5-1110230-В3 | УТН-5-1110230-В3 | Корректор в сборе | |
| УТН-5-1110160-Е | УТН-5-1110160-Е | Груз со втулкой в сборе | |
| 4УТНМ-Т-1110010-01 | 4УТНМ-Т-1110010-01 | Регулятор в сборе | |
| 1 | УТН-5-1110193 | Пружина | |
| 2 | УТН-3-1110171-Г | Серьга | |
| 3 | УТН-5-1110235-Б2 | Винт | |
| 4 | УТН-5-1110237 | Скоба | |
| 5 | УТН-5-1110238-А1 | Тарелка | |
| 6 | УТН-5-1110234-Д | Пружина | |
| 7 | УТН-5-1110187-Д | Пружина | |
| 8 | 4УТНМ-1110304 | Тяга | |
| 9 | УТН-5-1110233-Б2 | Шток | |
| 10 | 4УТНМ-1110446 | Пружина | |
| 11 | УТН-5-1110232 | Прокладка | |
| 12 | УТН-5-1110231-Б | Корпус | |
| 13 | УТН-5-1110403 | Палец | |
| 14 | УТН-5-1110242-Б | Шайба | |
| 15 | 2х10 | Шплинт | |
| 16 | ОНМ-087 | Палец | |
| 17 | М6х25 | Винт | |
| 18 | УТН-5-1110274-А4 | Рычаг основной | |
| 18 | УТНМ-Т-1110274-11 | Рычаг основной | |
| 19 | ШП6 | Шайба | |
| 20 | УТН-5-1110303-01 | Прокладка | |
| 21 | М6х20 | Винт | |
| 22 | УТН-5-1110402 | Пробка | |
| 23 | 16-006 | Прокладка | |
| 24 | 4УТНМ-1110301 | Крышка | |
| 25 | УТН-5-1110302-А | Прокладка | |
| 26 | М6 | Гайка | |
| 27 | 4УТНМ-1110025-30 | Корпус регулятора | |
| 27 | 4УТНМ-Т-1110020-20 | Корпус | |
| 28 | УТН-5-1110401-Б3 | Винт | |
| 29 | 4УТНМ-1110365 | Ось рычагов | |
| 30 | Д40-1110386-А | Прокладка | |
| 31 | УТН-5-1110409 | Заглушка | |
| 32 | УТН-5-1110320-В | Втулка с сальником и обоймой в сборе | |
| 32 | УТН-5-1110321-Б1 | Втулка | |
| 33 | УТН-5-1110323-Б | Обойма | |
| 34 | УТН-5-1110308-Д | Рычаг управления | |
| 35 | 17-004-А | Сальник | |
| 36 | 16-240 | Кольцо уплотнительное | |
| 37 | ОНМ-086-1 | Прокладка | |
| 38 | ОНМ-019-2 | Болт | |
| 39 | УТН-3-1110026 | Упор | |
| 40 | ОНМ-170 | Втулка | |
| 41 | 2х16 | Шплинт | |
| 42 | УТН-5-1110191 | Ось ролика | |
| 43 | УТН-5-1110166 | Втулка | |
| 44 | УТН-5-1110195-К | Рычаг | |
| 44 | УТН-5-1110200-8 | Рычаг (43, 44) | |
| 45 | УТН-5-1110153-Г2 | Пята | |
| 46 | 8202У | Подшипник | |
| 47 | УТН-3-1110311 | Кольцо | |
| 47 | УТН-3-1110311-Б | Кольцо | |
| 48 | УТН-5-1110165-Е | Груз | |
| 49 | УТН-5-1110241 | Ось грузов | |
| 50 | 236-1110517-62 | Сухарь | |
| 51 | УТН-3-1110145 | Втулка | |
| 52 | УТН-3-1110144-Б1 | Муфта | |
| 53 | УТН-5-1110196-А | Шпилька | |
| 54 | М6х12 | Винт | |
| 55 | УТН-5-1110251-Г2 | Шайба | |
| 56 | 8110 | Шарикоподшипник ГОСТ 6874-75 | |
| 57 | УТН-5-1110132-М3 | Ступица | |
| 58 | УТН-5-1110281-Б | Втулка | |
| 59 | УТН-5-1110155-Г5 | Рычаг | |
| 60 | 4УТНМ-1110021-Е | Втулка | |
| 61 | 17-071 | Заглушка |
Содержащиеся в справочниках-каталогах запасные части и детали не предлагаются к продаже, а носят исключительно информационный характер