Ртищево
Эль-Монте ваш город?
Да
Выбрать другой город
Написать в
WhatsApp
Написать в
Telegram
Каталог

Каталог запасных частей к технике: МТЗ-822. Гидроподъемник

zoom-in zoom-out enlarge shrink circle-right circle-left file-text2 info cart
1
2
3
3
4
5
6
6
7
8
8
8
9
9
9
9
10
10
10
10
11
11
11
12
12
13
13
13
14
15
16
17
17
17
17
18
19
20
21
21
21
22
22
22
23
23
24
24
25
25
26
27
28
29
30
31
32
33
34
35
36
37
38
39
40
41
42
43
44
45
46
47
48
48
49
50
51
52
53
53
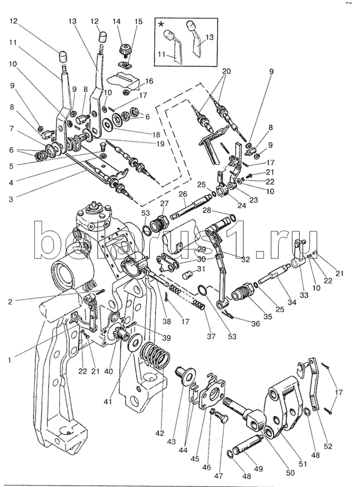
Позиция на иллюстрации Заводской номер детали Название детали
820-4635020 820-4635020 Заказать Датчик силовой
820-4635060 820-4635060 Звено суммирующее
1 820-4635025 Звено
2 3,2х25 Шплинт
3 822-4635090 Кронштейн (3, 6,7, 11, 13, 18)
3 822-4635095 Кронштейн
4 ШП8 Шайба
5 М8х20 Болт
6 М14х1,5 Гайка
7 80-1108347 Пружина тарельчатая
8 80В-1108317 Бонка
9 М6 Гайка
10 ШЧ6 Шайба
11 822-4635105 Рычаг силовой
11 923-4635100 Рычаг силовой
12 А13.11.000 Заказать Рукоятка
13 822-4635100 Рычаг позиционный
13 820-4635100-Б Рычаг позиционный
14 80-4616070 Винт
15 820-4635082 Заказать Упор
16 М6 Гайка
17 3,2х18 Шплинт
18 80-1108028 Заказать Шайба
19 50-1108178 Шайба
20 Morse1350 Трос
21 М6х16 Винт
22 ШП6 Шайба
23 822-4635080 Рычаг
23 923-4635080 Рычаг
24 923-4635075 Рычаг
24 822-4635075 Рычаг
25 011-015-25-1-4 Кольцо
26 820-4635034 Заказать Валик
27 820-4635033-Б Заказать Втулка
28 019-023-25-2-4 Заказать Кольцо
29 820-4635046 Скоба
30 820-4635070 Рычаг
31 820-4635069 Фиксатор
32 820-4635030 Звено
33 820-4635015-Б Рычаг
34 820-4635016-В Валик
35 820-4635032-Б Заказать Втулка
36 820-4635049 Шплинт
37 820-4635063 Пружина
38 820-4635065 Кронштейн
39 4х22 Шплинт
40 820-4635024 Заказать Гайка
41 820-4635023 Шайба
42 820-4635022 Заказать Пружина
43 820-4635026-Б Заказать Втулка
44 820-4635044-Б Прокладка
45 820-4635043-Б Крышка
46 ШП12 Шайба
47 М12х30 Болт
48 2В22 Кольцо
49 820-4635018 Палец
50 820-4635021 Шток
51 820-4635019 Серьга
52 820-4635048 Тяга
53 027-032-30-1-4 Кольцо
Содержащиеся в справочниках-каталогах запасные части и детали не предлагаются к продаже, а носят исключительно информационный характер