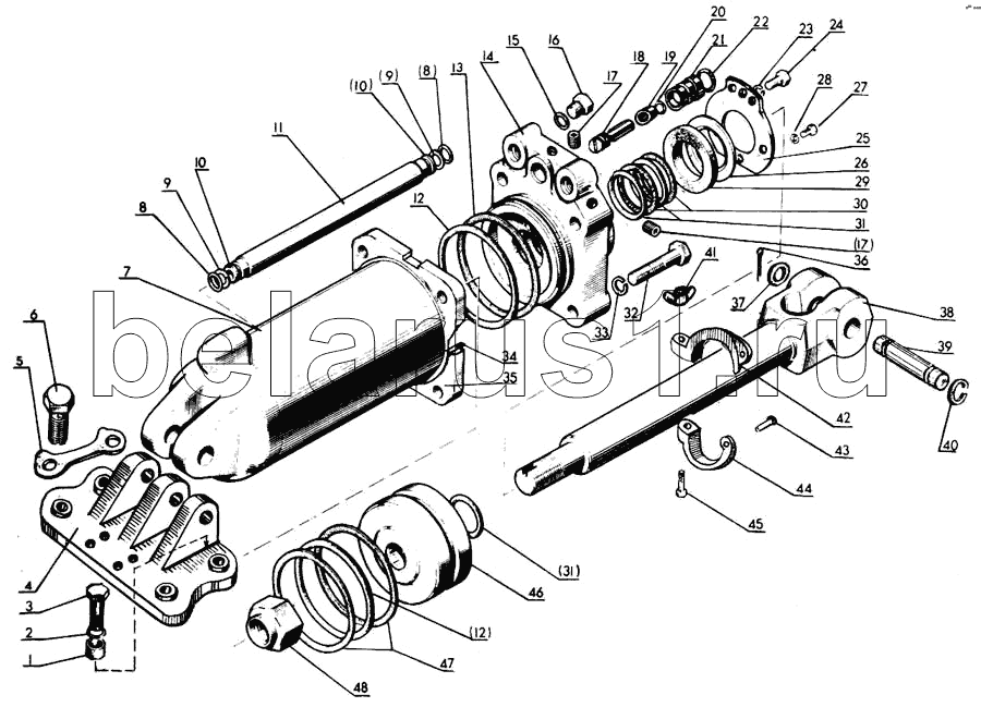
Каталог запасных частей к технике: МТЗ-80. Цилиндр Ц100x200
1
2
3
4
5
6
7
8
8
9
9
10
10
11
12
12
13
14
15
16
17
17
18
19
20
21
22
23
24
25
26
27
28
29
30
31
31
32
33
34
35
36
37
38
39
40
41
42
43
44
45
46
47
48
| Позиция на иллюстрации | Заводской номер детали | Название детали | |
|---|---|---|---|
| Ц100х200-3 | Ц100х200-3 | Цилиндр | |
| 1 | 70-4605041 | Заказать | Втулка |
| 2 | 20.01.019 ГОСТ 11371-78 | Шайба | |
| 3 | 70-4605036-01 | Заказать | Болт |
| 4 | 70-4605017-А | Заказать | Кронштейн |
| 5 | 70-4605034 | Пластина | |
| 6 | 70-4605036 | Заказать | Болт |
| 7 | Ц100х200.007-01 | Корпус цилиндра | |
| 8 | Кольцо 016-021-30-2-3 ГОСТ 9833-73 | Кольцо 016-021-30-2-3 ГОСТ 9833-73 | |
| 9 | Ц100х200.053 | Кольцо защитное | |
| 10 | Ц90-1212027 | Шайба | |
| 11 | Ц100х200.026 | Маслопровод | |
| 12 | Ц100-1313043 | Кольцо | |
| 13 | Ц100-1313042 | Кольцо защитное | |
| 14 | Ц100х200.021-01 | Крышка | |
| 15 | Кольцо 018-022-25-2-2 ГОСТ 9833-73 | Кольцо 018-022-25-2-2 ГОСТ 9833-73 | |
| 16 | Ц50х160.061 | Заглушка | |
| 17 | Ц90-1212056 | Заглушка 1/4" | |
| 18 | Ц90-1212004-А | Клапан с уплотнением | |
| 19 | Ц90-1212034 | Втулка | |
| 20 | Ц90-1212047 | Кольцо | |
| 21 | Ц90-1212033-А | Корпус клапана | |
| 22 | Ц90-1212046 | Кольцо | |
| 23 | Шайба 8Т 65Г ГОСТ 6402-70 | Шайба 8Т 65Г ГОСТ 6402-70 | |
| 24 | Болт М8-6gх16.88.019 ГОСТ 7796-70 | Болт М8-6gх16.88.019 ГОСТ 7796-70 | |
| 25 | Ц100х200.035-А | Крышка чистиков | |
| 26 | Ц80х200.036 | Скребок | |
| 27 | Болт М6gх14.88.35.019 ГОСТ 7796-70 | Болт М6gх14.88.35.019 ГОСТ 7796-70 | |
| 28 | Шайба 6Т 65Г ГОСТ 6402-70 | Шайба 6Т 65Г ГОСТ 6402-70 | |
| 29 | Ц80х200.037 | Манжета | |
| 30 | Ц100х200.056 | Кольцо | |
| 31 | Ц110-1414044 | Кольцо | |
| 32 | Болт М16-6gх80.88.35.019 ГОСТ 7796-70 | Болт М16-6gх80.88.35.019 ГОСТ 7796-70 | |
| 33 | Шайба 16Т 65Г ГОСТ 6402-70 | Шайба 16Т 65Г ГОСТ 6402-70 | |
| 34 | Ц100х200.065 | Кольцо стопорное | |
| 35 | Ц100х200.025-1 | Фланец | |
| 36 | Шплинт 5х36 ГОСТ 397-79 | Шплинт 5х36 ГОСТ 397-79 | |
| 37 | 70-4619042 | Шайба | |
| 38 | Ц100х200.003-1 | Шток | |
| 39 | Ц90-1212037-М | Палец | |
| 40 | 50-3406022 | Кольцо | |
| 41 | Ц90-1212031-А | Гайка-барашек | |
| 42 | Ц110-1414028-Б | Упор | |
| 43 | Ц90-1212030 | Палец упора | |
| 44 | Ц110-1414029-Б | Полукольцо упора | |
| 45 | Болт М6-6gх35.88.35.019 ГОСТ 7796-70 | Болт М6-6gх35.88.35.019 ГОСТ 7796-70 | |
| 46 | Ц100-1313023-Г | Поршень | |
| 47 | Ц100х200.055 | Кольцо | |
| 48 | Ц100х200.064 | Гайка |
Содержащиеся в справочниках-каталогах запасные части и детали не предлагаются к продаже, а носят исключительно информационный характер