Ртищево
Эль-Монте ваш город?
Да
Выбрать другой город
Написать в
WhatsApp
Написать в
Telegram
Каталог

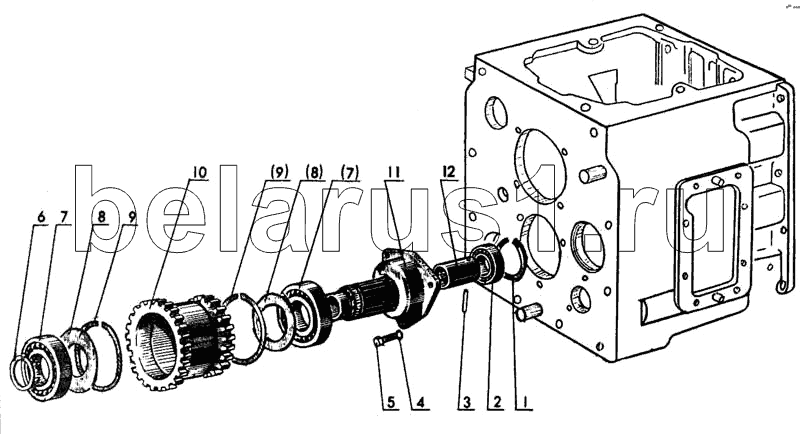
Каталог запасных частей к технике: МТЗ-80. Коробка передач. Редуктор

zoom-in zoom-out enlarge shrink circle-right circle-left file-text2 info cart
1
2
3
4
5
6
7
7
8
8
9
9
10
11
12
Позиция на иллюстрации Заводской номер детали Название детали
70-1701170 70-1701170 Гнездо вала в сборе
70-1721040 70-1721040 Шестерня редуктора в сборе
1 Кольцо К-2В80 ГОСТ 13941-68 Кольцо К-2В80 ГОСТ 13941-68
2 Подшипник 307К1 ГОСТ 8338-75 Подшипник 307К1 ГОСТ 8338-75
3 Штифт пружинный 8х45 ГОСТ 14229-69 Штифт пружинный 8х45 ГОСТ 14229-69
4 8Т ОСТ 37.001.115-75 Шайба
5 Болт М8-6gх16.88.35.019 ГОСТ 7796-70 Болт М8-6gх16.88.35.019 ГОСТ 7796-70
6 Кольцо 2В60 ГОСТ 13940-68 Кольцо 2В60 ГОСТ 13940-68
7 Подшипник 212 ГОСТ 8338-75 Подшипник 212 ГОСТ 8338-75
8 70-1721318 Заказать Шайба маслоотражательная
9 Кольцо 2В110 ГОСТ 13941-68 Кольцо 2В110 ГОСТ 13941-68
10 70-1721041 Заказать Заказать Шестерня редуктора
11 70-1701186 Заказать Гнездо
12 50-1701188 Заказать Втулка
Содержащиеся в справочниках-каталогах запасные части и детали не предлагаются к продаже, а носят исключительно информационный характер