Ртищево
Эль-Монте ваш город?
Да
Выбрать другой город
Написать в
WhatsApp
Написать в
Telegram
Каталог

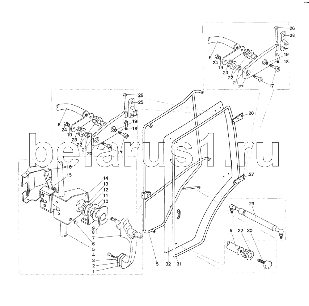
Каталог запасных частей к технике: МТЗ-1523. Дверь кабины

zoom-in zoom-out enlarge shrink circle-right circle-left file-text2 info cart
1
2
3
4
5
5
5
5
5
5
6
7
7
8
9
10
11
11
12
13
14
14
15
15
16
16
17
17
18
18
19
19
19
19
20
20
20
20
21
21
22
22
22
23
23
24
24
25
25
26
26
27
27
27
28
28
29
30
31
32
32
Позиция на иллюстрации Заводской номер детали Название детали
1 2522-6105018 Прокладка
2 2522-6105019 Прокладка
3 2522-6105021 Шайба
4 М6 Гайка
5 2522-6708020-01 Рама правая
5 2522-6708020 Рама левая
6 70-8401072 Буфер
7 2522-6105300 Заказать Ручка левая
7 2522-6105330 Ручка правая
8 2522-6105022 Втулка
9 2522-6105013 Прокладка
10 2522-6105014 Прокладка
11 2522-6105023-01 Кронштейн левый
11 2522-6105023 Кронштейн правый
12 2522-6105016 Шайба
13 2522-6105017 Гайка
14 2522-6708023-01 Кронштейн правый
14 2522-6708023 Кронштейн левый
15 80-6105050 Заказать Замок
15 80-6105050-01 Заказать Замок
16 2522-6708812-01 Крышка правая
16 2522-6708812 Крышка левая
17 М8 Гайка
18 ШП5 Шайба
19 ШП8 Шайба
20 2522-6708056-01 Петля правая верхняя
20 2522-6708056 Петля левая верхняя
21 2522-6708017 Втулка
22 2522-6708016 Втулка
23 2522-6708011 Планка
24 2522-6708029 Гайка
25 2522-6705051-01 Петля правая верхняя
25 2522-6705051 Петля левая верхняя
26 822-6700011 Палец
27 2522-6708061 Петля левая нижняя
27 2522-6708061-01 Петля правая нижняя
28 2522-6708066-01 Петля правая нижняя
28 2522-6708066 Петля левая нижняя
29 2522-6707201-Б-01 Пневмоподъемник
30 2522-6708975 Винт
31 В-716 Профиль
32 2522-6708013 Стекло левое
32 2522-6708013-01 Стекло правое
Содержащиеся в справочниках-каталогах запасные части и детали не предлагаются к продаже, а носят исключительно информационный характер