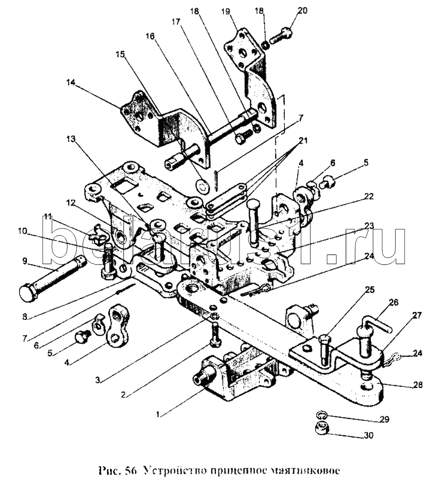
Каталог запасных частей к технике: МТЗ-1221. Устройство прицепное маятниковое
1
2
3
4
4
5
5
6
6
7
7
8
9
10
11
12
13
14
15
16
17
18
18
19
20
21
22
23
24
24
25
26
27
28
29
30
| Позиция на иллюстрации | Заводской номер детали | Название детали | |
|---|---|---|---|
| 70-2807039-02 | 70-2807039-02 | Пластина 0,2 мм | |
| 70-2807039-01 | 70-2807039-01 | Пластина 0,5 мм | |
| 1 | 80-2707120-В | Поперечина | |
| 2 | 80-2807026-01 | Болт | |
| 3 | SНР18 | Шайба | |
| 4 | 80-2707177 | Проушина | |
| 5 | 80-2707137 | Болт | |
| 6 | 80-2707153 | Шайба | |
| 7 | 6,3х36 | Шплинт | |
| 8 | 80-2707124 | Заказать | Серьга |
| 9 | 80-4619019 | Заказать | Палец |
| 10 | 40-3104021 | Заказать Заказать Заказать | Болт |
| 11 | 70-2807044 | Шайба | |
| 12 | 80-2707122 | Втулка | |
| 13 | 80-2707127 | Палец | |
| 14 | 80-2707116 | Боковина | |
| 15 | 70-4619042 | Шайба | |
| 16 | 80-2707141 | Ось | |
| 17 | М16х32 | Болт | |
| 18 | SНР16 | Шайба | |
| 19 | 80-2707116-01 | Боковина | |
| 20 | М16х50 | Болт | |
| 21 | 70-2807039 | Пластина 1,0 мм | |
| 22 | 80-2707128 | Палец | |
| 23 | 80-2707114-В | Кронштейн | |
| 24 | А61.07.001 | Заказать Заказать | Шплинт |
| 25 | 80-2707149 | Болт | |
| 26 | 50-4605079-В | Шкворень | |
| 27 | 80-2707143 | Накладка | |
| 28 | 80-2707144-В-01 | Тяга | |
| 29 | SНР20 | Шайба | |
| 30 | М20х1,5 | Гайка |
Содержащиеся в справочниках-каталогах запасные части и детали не предлагаются к продаже, а носят исключительно информационный характер