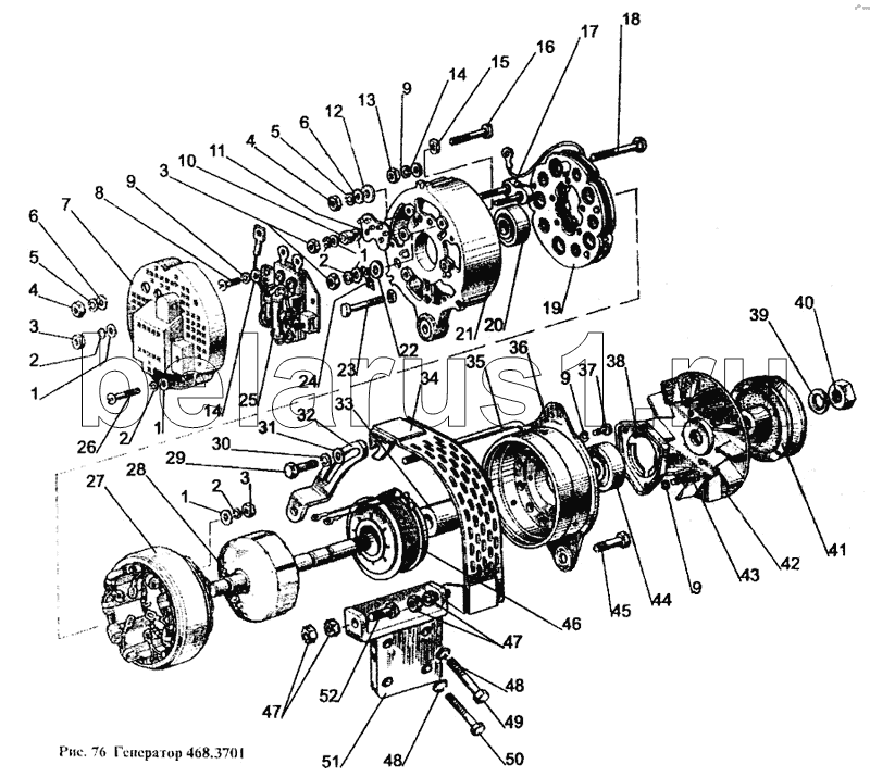
Каталог запасных частей к технике: МТЗ-1221. Генератор 468.3701
1
1
1
2
2
2
3
3
3
4
4
5
5
6
6
7
8
9
9
9
9
10
11
12
13
14
14
15
16
17
18
19
20
21
22
23
24
25
26
27
28
29
30
31
32
33
34
35
36
37
38
39
40
41
42
43
44
45
46
47
47
48
48
49
50
51
52
| Позиция на иллюстрации | Заводской номер детали | Название детали | |
|---|---|---|---|
| 96-3701-01 | 96-3701-01 | Генератор в сборе | |
| 1 | 002500-01 | Шайба 4 ОСТ 37.001.144-75 | |
| 2 | 4L | Шайба | |
| 3 | 2100 | Гайка М4-6 | |
| 4 | 002100-03 | Гайка М6-6Н ОСТ 37.001.124-75 | |
| 5 | 6L | Шайба | |
| 6 | 002500-05 | Шайба 6 01 16 ГОСТ 10450-78 | |
| 7 | 96.3701001-04 | Крышка регулирующего устройства | |
| 8 | 001300-02 | Винт VМ5х14 | |
| 9 | 5L | Шайба | |
| 10 | 96.3701018 | Втулка распорная | |
| 11 | 96.3701013 | Изолятор | |
| 12 | 46.3701017 | Шайба изоляционная | |
| 13 | 002100-02 | Гайка М6-7Н ОСТ 37.001.124-75 | |
| 14 | 002500-03 | Шайба 5 01 016 ГОСТ 11371-78 | |
| 15 | 95.3701011 | Изолятор фазный | |
| 16 | 96.3701021 | Болт М4х35 | |
| 17 | 96.3701020 | Панель выводов | |
| 18 | 46.3701015 | Болт М6х53 | |
| 19 | 95.3701600-01 | Блок выпрямительный | |
| 20 | 6-180502К1S9 | Шарикоподшипник | |
| 21 | 96.3701300 | Крышка задняя | |
| 22 | 96.3701017 | Шайба изоляционная | |
| 23 | 46.3701008 | Болт М4х27,5 | |
| 24 | 46.3701019 | Перемычка | |
| 25 | 96.3701500 | Регулирующее устройство | |
| 26 | 001300-23 | Винт VМ4х25 | |
| 27 | 96.3701100 | Статор | |
| 28 | 96.3701200 | Ротор | |
| 29 | М8х20 | Болт | |
| 30 | SНР8 | Шайба | |
| 31 | 50-1002073 | Шайба | |
| 32 | 260-3701063-А | Планка | |
| 33 | 46.3701005 | Втулка ротора | |
| 34 | 240-3701060-В | Щиток | |
| 35 | 46.3701080 | Болт стяжной | |
| 36 | 46.3701400-01 | Крышка передняя | |
| 37 | 001300-26 | Винт VМ5х9,5 | |
| 38 | 46.3701007 | Крышка подшипника | |
| 39 | 16L | Шайба | |
| 40 | 002100-07 | Гайка М16х1,5-6Н.5А.019 ГОСТ 5929-70 | |
| 41 | 464.3701051 | Шкив (одноручьевой) | |
| 42 | 46.3701003 | Вентилятор | |
| 43 | 001300-13 | Винт М5-6gх26 ОСТ 37001.127-81 | |
| 44 | 6-180603К4S9 | Шарикоподшипник | |
| 45 | М10х40 | Болт | |
| 46 | 46.3701060 | Катушка возбуждения | |
| 47 | М10 | Гайка | |
| 48 | SНР10 | Шайба | |
| 49 | 260-3701068 | Болт | |
| 50 | М10х30 | Болт | |
| 51 | 260-3701056 | Заказать | Кронштейн |
| 52 | М10х55 | Болт |
Содержащиеся в справочниках-каталогах запасные части и детали не предлагаются к продаже, а носят исключительно информационный характер