Каталог запасных частей к технике: МТЗ-100. Схема электрооборудования
1
1
2
2
2
2
3
4
5
6
7
8
9
9
10
11
12
12
13
14
15
15
16
17
18
19
20
20
21
22
23
24
25
26
27
28
29
30
31
32
33
34
35
36
37
38
39
40
41
42
43
44
45
46
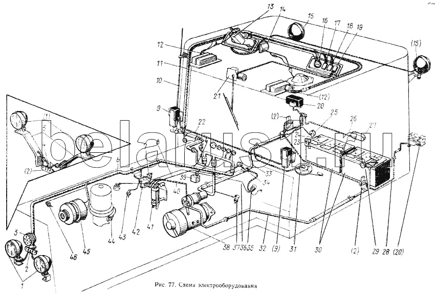
| Позиция на иллюстрации | Заводской номер детали | Название детали | |
|---|---|---|---|
| 1 | 8703 11/017 | Фара | |
| 2 | ПС1-А2 | Панель | |
| 3 | С311-В | Сигнал звуковой | |
| 4 | 85-3724025 | Жгут | |
| 5 | 80-3711010 | Кронштейн | |
| 6 | 85-3724061 | Жгут | |
| 7 | 111.3747 | Реле (унифицированная кабина) | |
| 8 | 85-3724035 | Провод | |
| 9 | 23.3712 | Фонарь передний | |
| 10 | АР112 | Антенна | |
| 11 | 85-3724050 | Жгут | |
| 12 | 19.3730 | Заказать Заказать | Электродвигатель вентилятора |
| 13 | А373М | Радиоприемник | |
| 14 | 111.3714010 | Плафон | |
| 15 | 30.3711 | Фара задняя | |
| 16 | УБ-126 | Приемник указателя уровня топлива (обычная кабина) | |
| 17 | ВК343-01.05 | Выключатель задних фар | |
| 18 | П147-04.11 | Переключатель электродвигателей вентилятора | |
| 19 | П147-09.09 | Выключатель стеклоочистителя | |
| 20 | 33.3716 | Фонарь задний | |
| 21 | 8746.100 | Стеклоочиститель | |
| 22 | 85-3724130 | Жгут к передним фонарям | |
| 23 | ВК318-Б | Выключатель массы | |
| 24 | 50-3724075-Б1 | Провод | |
| 25 | ПС300А-100 | Розетка штепсельная | |
| 26 | 70-3724042 | Провод | |
| 27 | ФП131 | Фонарь освещения номерного знака | |
| 28 | 85-3724160 | Жгут к задним фонарям | |
| 29 | 47К | Розетка | |
| 30 | ЗСТ-225ЭМ | Батарея аккумуляторная | |
| 31 | БМ128Д | Датчик указателя уровня топлива | |
| 32 | 70-3724041 | Провод | |
| 33 | 85-3724101 | Жгут | |
| 34 | 11.3704 | Выключатель приспособления легковоспламеняющейся жидкости | |
| 35 | ВК418 | Заказать | Выключатель |
| 36 | 85-3724015 | Жгут | |
| 37 | ВК415 | Выключатель стоп-сигнала | |
| 38 | 24.3708 | Стартер | |
| 39 | А0-1 | Стеклоомыватель | |
| 40 | 70-3724040-А | Жгут | |
| 41 | 1701.3741 | Приспособления для впрыска легковоспламеняющейся жидкости | |
| 42 | РС502 | Реле стартера | |
| 43 | ТМ100В | Датчик | |
| 44 | ММ111-Б | Датчик сигнализации давления масла | |
| 45 | 46 3701 | Генератор | |
| 46 | ТМ112 | Датчик сигнализатора температуры воды |
Содержащиеся в справочниках-каталогах запасные части и детали не предлагаются к продаже, а носят исключительно информационный характер