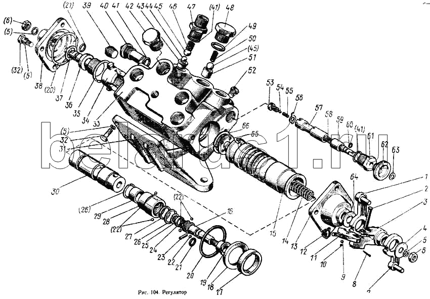
Каталог запасных частей к технике: МТЗ-100. Регулятор
1
2
3
4
5
5
5
5
6
6
7
8
9
10
11
12
13
14
15
16
17
18
19
20
20
21
21
22
22
22
23
24
25
26
26
27
28
29
30
31
32
32
33
34
35
36
37
38
39
40
41
41
41
42
43
44
45
45
46
47
48
49
50
51
52
53
54
55
56
57
58
59
60
61
62
63
64
65
66
| Позиция на иллюстрации | Заводской номер детали | Название детали | |
|---|---|---|---|
| 80-4614030 | 80-4614030 | Винт гильзы с гайкой в сборе | |
| 80-4614040 | 80-4614040 | Винт золотника | |
| 80-4614060 | 80-4614060 | Крышка левая со втулкой в сборе | |
| 80-4614070 | 80-4614070 | Плунжер | |
| 80-4614020 | 80-4614020 | Регулятор | |
| 85-4614110 | 85-4614110 | Регулятор с кронштейном в сборе | |
| 85-4614110-01 | 85-4614110-01 | Регулятор с кронштейном в сборе | |
| 1 | 85-4614120 | Рычаг | |
| 2 | Р50-4614051 | Ось | |
| 3 | 85-4614111 | Муфта | |
| 4 | Р50-4614053 | Шайба | |
| 5 | ШП10 | Шайба | |
| 6 | М10 | Гайка | |
| 7 | 85-4614130 | Рычаг | |
| 8 | 2Х12 | Шплинт | |
| 9 | 5,556 | Шарик | |
| 10 | Р50-4614072 | Пружина | |
| 11 | Р50-4614049-Б | Фиксатор | |
| 12 | Р50-4614054 | Ручка | |
| 13 | 80-4614016 | Крышка левая | |
| 14 | 80-4614014 | Пружина | |
| 15 | 80-4614012 | Гильза | |
| 16 | 80-4614041 | Винт золотника | |
| 17 | 80-4614051 | Втулка | |
| 18 | 80-4614027 | Шайба | |
| 19 | 80-4614043 | Втулка | |
| 20 | 055-061-36-1-4 | Кольцо | |
| 21 | 011-016-30-1-4 | Кольцо | |
| 22 | Б3,969 | Шарик | |
| 23 | 4х20 | Штифт ГОСТ 10774-64 | |
| 24 | 80-4614044 | Шайба | |
| 25 | 2Б15 | Кольцо | |
| 26 | 2Б25 | Кольцо | |
| 27 | 80-4614046 | Втулка | |
| 28 | 80-4614042 | Гайка золотника | |
| 29 | 80-4614045 | Втулка | |
| 30 | 80-4614013 | Золотник | |
| 31 | 85-4614114 | Кронштейн | |
| 32 | М10х20 | Болт | |
| 33 | 80-4614011 | Корпус регулятора | |
| 34 | 80-4614024 | Гайка гильзы | |
| 35 | 1Б38 | Кольцо | |
| 36 | 80-4614022 | Винт гильзы | |
| 37 | 80-4614018 | Шайба | |
| 38 | 80-4614015 | Крышка правая | |
| 39 | 2КГ3/8" | Пробка | |
| 40 | 80-4614087 | Пробка | |
| 41 | 018-022-25-2-3 | Кольцо | |
| 42 | Р50-1614062 | Заглушка | |
| 43 | Р50-4614021-Б | Седло | |
| 44 | Б9.992 | Шарик | |
| 45 | Б14,288 | Шарик | |
| 46 | Р50-4614059 | Пружина | |
| 47 | 85-4614029 | Штуцер | |
| 48 | Р50-4614019-Б | Корпус клапана | |
| 49 | 022-027-30-2-3 | Кольцо | |
| 50 | А61-072 | Пружина | |
| 51 | 80-4614021 | Седло | |
| 52 | КГ1/8" | Пробка | |
| 53 | 80-4614085 | Пробка | |
| 54 | 6,35 | Шарик | |
| 55 | 80-4614058 | Пружина | |
| 56 | 80-4614065 | Шайба | |
| 57 | 80-4614064 | Плунжер | |
| 58 | 80-4614086 | Пружина | |
| 59 | 80-4614063 | Винт | |
| 60 | 005-008-19-1-4 | Кольцо | |
| 61 | 80-4614037 | Заглушка | |
| 62 | 80-4614071 | Маховичок | |
| 63 | 2Б8 | Кольцо | |
| 64 | Р50-4614052 | Шайба | |
| 65 | Р50-4614017-А | Шайба | |
| 66 | Б36 | Кольцо |
Содержащиеся в справочниках-каталогах запасные части и детали не предлагаются к продаже, а носят исключительно информационный характер