Каталог запасных частей к технике: МТЗ-100. Отопитель
1
2
3
4
5
6
7
7
7
8
9
10
10
11
11
12
12
13
14
15
16
17
18
19
19
20
21
22
23
24
25
25
26
27
28
29
30
31
32
33
34
35
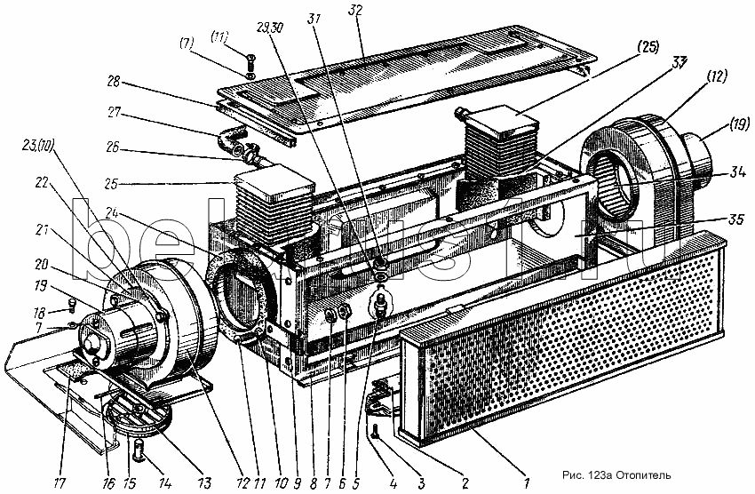
| Позиция на иллюстрации | Заводской номер детали | Название детали | |
|---|---|---|---|
| 80-8103010 | 80-8103010 | Вентилятор в сборе | |
| 80-8100010 | 80-8100010 | Отопитель в сборе | |
| 80-8102010 | 80-8102010 | Отопитель в сборе | |
| 1 | 80-8101050 | Фильтр | |
| 2 | 80-8100012 | Заслонка | |
| 3 | М6х16 | Винт | |
| 4 | 80-8100011 | Крышка | |
| 5 | 70-6700031 | Держатель | |
| 6 | М6 | Гайка | |
| 7 | ШЧ6 | Шайба | |
| 8 | 80-8102040 | Стенка | |
| 9 | 80-8102025 | Пружина | |
| 10 | ШП6Т | Шайба | |
| 11 | М6х16 | Винт | |
| 12 | 80-8103020 | Кожух вентилятора | |
| 13 | 150.95.301 | Заказать | Воздухораспределитель |
| 14 | 6х18 | Палец | |
| 15 | 80-8100013 | Накладка | |
| 16 | 80-8100014 | Стержень | |
| 17 | 80-8100017 | Прокладка | |
| 18 | М6х16 | Винт | |
| 19 | 1937.30000 | Электродвигатель | |
| 20 | 50-8104029 | Прокладка | |
| 21 | 70-8115075 | Крышка | |
| 22 | 70-8115168 | Прокладка | |
| 23 | М6х14 | Болт | |
| 24 | 80-8100016 | Уплотнитель | |
| 25 | ОТ213.10-04 | Радиатор | |
| 26 | ХС-23 | Хомут | |
| 27 | 80-8102015 | Шланг L=700 мм | |
| 28 | ПР-35-01 | Профиль резиновый | |
| 29 | ШЧ10 | Шайба | |
| 30 | ШП10 ОТ | Шайба | |
| 31 | М10 | Гайка | |
| 32 | 80-8102011 | Крышка | |
| 33 | Уплотнитель (Беккер-акустик) | Уплотнитель (Беккер-акустик) | |
| 34 | 70-8115220 | Ротор вентилятора | |
| 35 | 80-8102020 | Корпус |
Содержащиеся в справочниках-каталогах запасные части и детали не предлагаются к продаже, а носят исключительно информационный характер