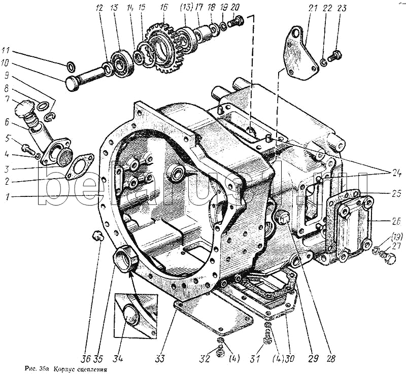
Каталог запасных частей к технике: МТЗ-100. Корпус сцепления
1
2
3
4
4
4
5
6
7
8
9
10
11
12
13
13
14
15
16
17
18
19
19
20
21
22
23
24
25
26
27
28
29
30
31
32
33
34
35
36
| Позиция на иллюстрации | Заводской номер детали | Название детали | |
|---|---|---|---|
| 80-1601050 | 80-1601050 | Вал в сборе | |
| 80-1601180 | 80-1601180 | Шестерня 80-1601182 с осью, подшипником и кольцом в сборе | |
| 70-1601330 | 70-1601330 | Шестерня 70-1601331 с кольцами в сборе | |
| 80-1601040 | 80-1601040 | Стакан с гайкой в сборе | |
| 80А-1601180 | 80А-1601180 | Отводка с подшипником упорным и масленкой в сборе | |
| 80-1601030 | 80-1601030 | Кронштейн отводки с прокладкой в сборе | |
| 240-1002115 | 240-1002115 | Заказать Заказать | Горловина с кольцом пружинным и патрубком в сборе |
| 80-1601060 | 80-1601060 | Втулка с кольцом в сборе | |
| 80-1601190 | 80-1601190 | Заказать | Вилка со штифтом в сборе |
| 80-1601160 | 80-1601160 | Вал с подшипниками в сборе | |
| 85-1601150 | 85-1601150 | Вал в сборе | |
| 80-1601070 | 80-1601070 | Шестерня с кольцом и подшипником в сборе | |
| 1 | 80-1601015 | Заказать | Корпус |
| 2 | 240-1002082-А | Прокладка | |
| 3 | 240-1002085 | Заказать | Сетка |
| 4 | ШП8 | Шайба | |
| 5 | М8х20 | Болт | |
| 6 | 240-1002088-В | Заказать | Патрубок |
| 7 | А19.01.001 | Заказать Заказать | Пробка |
| 8 | 042-048-30-2-1 | Кольцо | |
| 9 | А19.01.003 | Кольцо | |
| 10 | 80-1601335 | Ось | |
| 11 | 020-025-30-1-6 | Кольцо | |
| 12 | 80-1601337 | Шайба | |
| 13 | 305 | Заказать Заказать | Подшипник |
| 14 | 70-1601333 | Кольцо | |
| 15 | 2В62 | Кольцо | |
| 16 | 70-1601331 | Заказать Заказать | Шестерня промежуточная |
| 17 | 80-1601336 | Заказать | Втулка |
| 18 | 80-1601334 | Шайба | |
| 19 | ШП12 | Шайба | |
| 20 | М12х35 | Болт | |
| 21 | 80-1601348 | Крышка | |
| 22 | ШП10 | Шайба | |
| 23 | М10х18 | Болт | |
| 24 | 10Пр2,2ах25Ц6 | Штифт | |
| 25 | 80-1601343 | Прокладка | |
| 26 | 80-1601342 | Заказать | Крышка |
| 27 | М12х30 | Болт | |
| 28 | КГ1,1/4" | Пробка | |
| 29 | 80-1601314 | Прокладка | |
| 30 | 80-1601313 | Крышка | |
| 31 | М8х25 | Болт | |
| 32 | М8х16 | Болт | |
| 33 | 50-1601341 | Заказать | Крышка сцепления |
| 34 | 80-1601024 | Крышка | |
| 35 | 80-1802015 | Обойма | |
| 36 | 2-1Мк10 | Пробка |
Содержащиеся в справочниках-каталогах запасные части и детали не предлагаются к продаже, а носят исключительно информационный характер