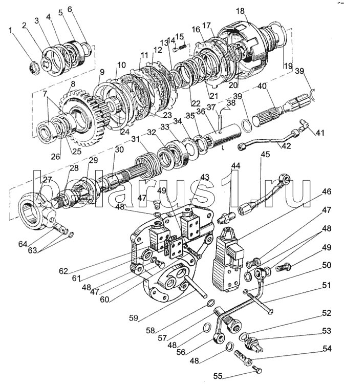
Каталог запасных частей к технике: МТЗ-1005. Привод переднего ведущего моста
1221-1802010
1
2
3
4
5
6
7
8
9
10
11
12
13
14
15
16
17
18
19
20
21
22
23
24
25
26
27
28
29
30
31
32
33
34
35
36
37
38
39
39
40
41
42
43
44
45
46
47
47
47
48
48
48
48
48
49
49
50
51
52
53
54
55
56
57
58
59
60
61
62
63
64
| Позиция на иллюстрации | Заводской номер детали | Название детали | |
|---|---|---|---|
| 1221-1802010 | 1221-1802010 | Привод переднего ведущего моста | |
| 1221-1802030 | 1221-1802030 | Заказать | Фрикцион |
| 1221-1802040 | 1221-1802040 | Шестерня | |
| 1 | 1221-1802023 | Заказать | Гайка |
| 2 | 1221-1802019 | Заказать | Шайба |
| 3 | 86-1802024-А | Втулка | |
| 4 | В72 | Кольцо | |
| 5 | 6-50306К | Подшипник | |
| 6 | 86-1802043 | Заказать | Шайба |
| 7 | 206 | Заказать Заказать | Подшипник ГОСТ 8338-75 |
| 8 | 1221-1802041 | Заказать | Шестерня |
| 9 | В135 | Кольцо | |
| 10 | 86-1802034 | Заказать | Диск упорный |
| 11 | 86-1802032 | Заказать Заказать | Диск ведомый |
| 12 | 1221-1802032 | Заказать | Диск ведомый |
| 13 | В48 | Кольцо | |
| 14 | 86-1802039 | Направляющая | |
| 15 | 86-1802048 | Пружина | |
| 16 | 1221-1802031 | Поршень | |
| 17 | 86-1802047 | Кольцо | |
| 18 | 1221-1802036 | Заказать | Барабан |
| 19 | 86-1802083-А | Заказать | Кольцо |
| 20 | 150.37.333-А | Кольцо | |
| 21 | 86-1802038 | Пружина | |
| 22 | 86-1802046 | Стакан | |
| 23 | 86-1802035-А | Диск ведущий | |
| 24 | 1221-1802044 | Заказать | Втулка |
| 25 | В62 | Кольцо | |
| 26 | 86-1802049 | Кольцо | |
| 27 | 1221-1802025 | Заказать | Обойма |
| 28 | 86-1802028 | Заказать | Втулка |
| 29 | 8020-1802026 | Полумуфта | |
| 30 | 1221-1802013-Б | Заказать | Вал |
| 31 | 86-1802027 | Пружина | |
| 32 | 86-1802015 | Заказать | Обойма 86-1802011 со втулкой в сборе |
| 33 | 207К | Подшипник | |
| 34 | 86-1802052 | Шайба | |
| 35 | 52-2308097 | Заказать Заказать Заказать | Гайка |
| 36 | 86-1802014-В | Втулка | |
| 37 | 8х40 | Штифт | |
| 38 | 1,6-0-С | Проволока | |
| 39 | 86-1802017-В | Кольцо | |
| 40 | 1221-1802042 | Заказать Заказать Заказать | Вал |
| 41 | 86-1802088 | Заказать | Угольник |
| 42 | 86-1802055 | Заказать | Трубопровод |
| 43 | 1221-1802016 | Заказать | Крышка |
| 44 | 70-2409037 | Заказать | Штуцер |
| 45 | 1221-1802060 | Трубопровод | |
| 46 | RH 06101-012/00GAM | Распределитель | |
| 47 | 50-1117028 | Пробка | |
| 48 | Д18-055-А | Заказать | Шайба |
| 49 | Д18-051 | Болт | |
| 50 | ШП5 | Шайба | |
| 51 | М5х50 | Винт | |
| 52 | 50-1702048 | Прокладка | |
| 53 | ВК12-3М (ВК-12-5) | Выключатель | |
| 54 | 1520-1802088 | Болт | |
| 55 | КГ 1/8 | Пробка | |
| 56 | 1221-1802050 | Трубопровод | |
| 57 | 8020-1802018 | Направляющая | |
| 58 | 018-022-25-2-3 | Кольцо | |
| 59 | 8020-1802029 | Заказать | Толкатель |
| 60 | М5х16 | Винт | |
| 61 | 1221-1802012 | Крышка | |
| 62 | 1025-1802019 | Прокладка | |
| 63 | 011-016-30-2-4 | Кольцо | |
| 64 | 1221-1802054 | Заказать | Втулка |
Содержащиеся в справочниках-каталогах запасные части и детали не предлагаются к продаже, а носят исключительно информационный характер