Ртищево
Эль-Монте ваш город?
Да
Выбрать другой город
Написать в
WhatsApp
Написать в
Telegram
Каталог

Каталог запасных частей к технике: МТЗ 1220.5. Кабина трактора

zoom-in zoom-out enlarge shrink circle-right circle-left file-text2 info cart
1
1
1
1
2
2
3
3
3
3
4
4
4
5
5
5
5
5
5
5
5
5
6
6
6
6
6
6
7
7
7
7
7
7
8
9
10
10
11
11
12
13
13
14
14
14
14
15
15
15
16
17
17
18
19
20
20
21
21
21
22
23
24
24
25
26
27
27
27
28
29
30
30
31
32
32
33
34
35
36
36
37
38
39
39
39
40
41
42
43
43
44
45
46
47
48
49
50
50
51
52
53
62
63
64
66
68
69
69
69
70
71
71
72
73
73
74
74
75
76
76
77
77
77
78
78
78
78
78
79
79
80
80
81
82
82
83
83
84
84
87
87
88
90
90
91
92
93
94
95
96
97
98
99
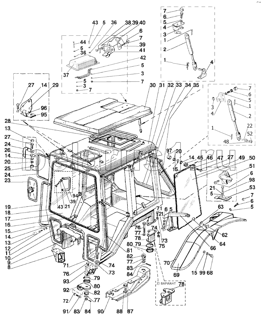
Позиция на иллюстрации Заводской номер детали Название детали
1221-6700010 1221-6700010 Кабина в сборе
Л82-8404011-01 Л82-8404011-01 Крыло
Д82-8404020-А-01 Д82-8404020-А-01 Крыло
Д82-8404020-А1-01 Д82-8404020-А1-01 Крыло
80-6708900-01 80-6708900-01 Стекло в сборе
80-6708210 80-6708210 Заказать Рамка в сборе
1 3,2х18.019 Шплинт
2 6700.01 Пневмоподъемник
3 М6-6Н.6.019 Гайка
4 80-6708225 Заказать Кронштейн
5 С6.01.019 Шайба
6 М6-6gх20.88.35.019 Болт
7 А30.04.017 Заказать Колпачок
8 80-6700031-Б-01 Заказать Кронштейн правый
9 85-6703056 Заказать Вставка
10 80-6703012-А Заказать Стекло
10 80-6703012-А1 Стекло
11 А37.08.043-01 Уплотнитель
11 А37.08.043 Уплотнитель
12 М8-6gх20.88.35.019 Болт
13 А30.04.017-01 Заказать Колпачок
14 Шайба
15 С8.01.019 Шайба
16 80-3805030 Заказать Кронштейн
17 80-6703011-А1 Стекло
17 80-6703011-А Заказать Стекло
18 80-6700018 Уплотнитель L=4200 мм
19 80-6703112-А Заказать Поручень правый
20 М8-6Н.6.019 Гайка
21 Шайба
22 85-6701033 Палец
23 80-8201050 Заказать Зеркало наружное
24 80-8201106-Б Труба
25 А30.04.017-02 Заказать Колпачок
26 80-8201107 Шайба
27 М8-6gx30.88.35.019 Болт
28 А37.08.045 Заказать Уплотнитель
29 80-6707010-Б Заказать Петля
30 80-6707025/-01/-02 Крыша в сборе
30 Д82-6707025/-01 Крыша в сборе
31 1221-6700020 Кабина
32 80-6708211-А Заказать Заказать Стекло
32 80-6708211-А1 Стекло
33 80-6708215 Заказать Рамка
34 А34.08.043-05 Уплотнитель
35 80-6700021-01/-02 Уплотнитель
36 549А-1305044 Кольцо
37 80-6707082 Облицовка
38 В.М6-6gx12.58.019 Винт
39 С6.01.019 Шайба
40 80-6707075 Кронштейн
41 А37.09.010 Заказать Защелка
42 80-6707080 Заказать Поручень
43 В.М6-6gx20.58.019 Винт
44 В.М5-6gx50.58.019 Винт
45 80-6708903 Заказать Втулка
46 8х65 Заказать Палец
47 80-6708902 Заказать Петля
48 10.ОТ Шайба
49 F-202 Уплотнитель
50 1221-6708901-А1 Стекло
50 1221-6708901-А Стекло
51 А37.05.025 Заказать Заказать Фиксатор
52 С10.01.019 Шайба
53 А37.05.021-Б Заказать Кронштейн
62 80-6708975 Заказать Винт
63 80-6708904 Заказать Прокладка
64 А37.01.041 Заказать Втулка
66 80-6708970 Ручка
68 М8-6gx20.88.35.019 Болт
69 Л82-8404011 Крыло
69 Д82-8404020-А Крыло
69 Д82-8404020-А1 Крыло
70 80-8404013-Б Уплотнитель
71 М12-6gx30.88.35.019 Болт
72 16.ОТ Шайба
73 С12.01.019 Шайба
74 12.ОТ Шайба
75 М12-6Н.6.019 Гайка
76 80-6700029 Заказать Болт
77 С16.01.019 Шайба
78 1221-6700035 Опора левая
78 1221-6700037 Опора левая
78 1221-6700035-01 Опора правая
78 1221-6700037-01 Опора правая
79 80-6700163 Заказать Обойма
80 80-6700160 Заказать Заказать Заказать Заказать Виброизолятор
81 80-6703112-А Заказать Поручень правый
82 130-5001364-В Заказать Подушка нижняя
83 М16-6Н.6.019 Гайка
84 4х36.019Г Шплинт
87 1221-6702301 Болт
87 М20-6gx70.88.35.019 Болт
88 20.ОТ Шайба
90 1221-6702300 Кронштейн правый
90 1221-6702300-01 Кронштейн левый
91 М16-6gx45.88.35.019 Болт
92 85-6702068 Кронштейн
93 80-6700031-Б Заказать Кронштейн
94 80-6708209 Ручка
95 80-6707013 Заказать Петля
96 70-6708189 Заказать Ось
97 А30.04.017-02 Заказать Колпачок
98 М6-6gx14.88.35.019 Болт
99 Шайба ОСТ 37.001.115-75
Содержащиеся в справочниках-каталогах запасные части и детали не предлагаются к продаже, а носят исключительно информационный характер