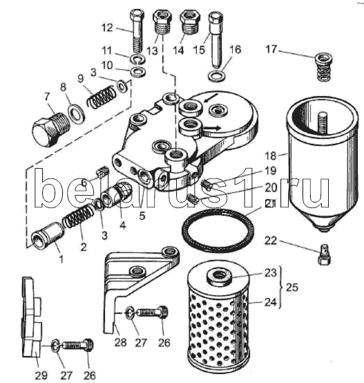
Каталог запасных частей к технике: ТМЗ-8437.10. Фильтр тонкой очистки топлива
840.1117010
1
2
3
3
4
5
5
6
7
8
9
10
11
12
13
14
15
16
17
18
19
20
21
22
23
24
25
25
26
26
27
27
28
29
| Позиция на иллюстрации | Заводской номер детали | Название детали | |
|---|---|---|---|
| 840.1117010 | 840.1117010 | Фильтр в сборе | |
| 1 | 840.1117162 | Гильза перепускного клапана | |
| 2 | 840.1117158 | Пружина клапана термостата | |
| 3 | 312699-П2 | Шайба | |
| 4 | 840.1117150 | Клапан перепускной | |
| 5 | 840.1117020 | Корпус фильтра в сборе | |
| 5 | 840.1117022 | Корпус фильтра | |
| 6 | 316198-П29 | Пробка КГ1/4 | |
| 7 | 316108-П29 | Пробка М16х1,5 | |
| 8 | 312367-П | Шайба 16х19х1,5 | |
| 9 | 840.1117159 | Пружина перепускного клапана | |
| 10 | 252007-П29 | Шайба 12 | |
| 11 | 252137-П2 | Шайба 12.ОТ | |
| 12 | 201573-П29 | Болт М12х1,25х60 | |
| 13 | 316622-П29 | Ввертыш М14х1,5-6Н-М24х2-6gх18 | |
| 14 | 316615-П29 | Ввертыш М16х1,5-6Н-М24х2-6gх18 | |
| 15 | 840.1117122 | Болт | |
| 16 | 312326-П | Прокладка 14х19х1,5 | |
| 17 | 840.1117037 | Пружина фильтра с шайбой | |
| 18 | 840.1117182 | Колпак фильтра | |
| 19 | 316105-П2 | Пробка КГ 1/8 | |
| 20 | 8421.1117301 | Пробка | |
| 21 | 840.1117186 | Заказать | Прокладка колпака |
| 22 | 840.1117144 | Пробка сливная | |
| 23 | 840.1117114 | Заказать | Прокладка элемента |
| 24 | 840.1117040-01 | Элемент фильтрующий | |
| 25 | 840.1117030-01 | Элемент в сборе | |
| 25 | ЛДКЯ387631.037 | Элемент | |
| 26 | 201678-П29 | Болт М10х1,25х30 | |
| 27 | 252136-П2 | Шайба 10.ОТ | |
| 28 | 841.1117152 | Кронштейн | |
| 29 | 8437.1117211-01 | Проставка |
Содержащиеся в справочниках-каталогах запасные части и детали не предлагаются к продаже, а носят исключительно информационный характер